來源:壹芯微 發布日期
2021-03-31 瀏覽:-100W場效應管功率放大電路圖

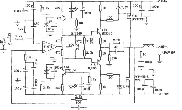
MOSFET功放電路主要應用于大功率AV電路中。如圖所示為100W的MOSFET功放電路。該電路的輸入級采用JEFT輸入型運放TL071,其輸入阻抗大、轉換速率高。VTl和VT3為運放TL071的互補恒流源負載。VT4和VT5組成典型的推動級,其線性好、響應快。輸出級VT6和VT7采用MOSFET管,其音色優美,放大倍數約為5。C1選用金屬化聚丙烯電容,以避免產生失真。該放大器的技術指標為;全功率時的頻響為15Hz~125kHz,轉換速率為25V/μs,輸出噪聲-95dB,阻尼系數大于400(8Ω負載)。
壹芯微科技針對二三極管,MOS管作出了良好的性能測試,應用各大領域,如果您有遇到什么需要幫助解決的,可以點擊右邊的工程師,或者點擊銷售經理給您精準的報價以及產品介紹
工廠地址:安徽省六安市金寨產業園區
深圳辦事處地址:深圳市福田區寶華大廈A1428
中山辦事處地址:中山市古鎮長安燈飾配件城C棟11卡
杭州辦事處:杭州市西湖區文三西路118號杭州電子商務大廈6層B座
電話:13534146615
企業QQ:2881579535

深圳市壹芯微科技有限公司 版權所有 | 備案號:粵ICP備2020121154號