來源:壹芯微 發布日期
2023-04-03 瀏覽:-怎么區別差動放大與差分放大電路
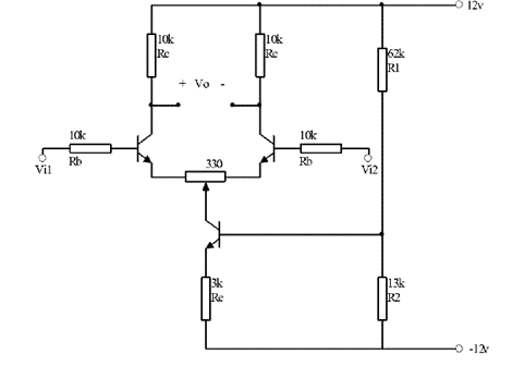
基本差動放大電路由兩個完全對稱的共發射極單管放大電路組成,該電路的輸入端是兩個信號的輸入,這兩個信號的差值,為電路有效輸入信號,電路的輸出是對這兩個輸入信號之差的放大。設想這樣一種情景,如果存在干擾信號,會對兩個輸入信號產生相同的干擾,通過二者之差,干擾信號的有效輸出為零,這就達到了抗共模干擾的目的。下面小編給大家介紹一下“差動放大電路與差分放大電路的區別”
1.差動放大電路與差分放大電路的區別
差動放大電路又叫差分電路,他不僅能有效地放大交流信號,而且能有效地減小由于電源波動和晶體管隨溫度變化而引起的零點漂移,因而獲得廣泛的應用。特別是大量的應用于集成運放電路,他常被用作多級放大器的前置級。
差分放大電路由兩個完全對稱的共發射極單管放大電路組成,該電路的輸入端是兩個信號的輸入,這兩個信號的差值,為電路有效輸入信號,電路的輸出是對這兩個輸入信號之差的放大。設想這樣一種情景,如果存在干擾信號,會對兩個輸入信號產生相同的干擾,通過二者之差,干擾信號的有效輸入為零,這就達到了抗共模干擾的目的。
差分放大電路利用電路參數的對稱性和負反饋作用,有效地穩定靜態工作點,以放大差模信號抑制共模信號為顯著特征,廣泛應用于直接耦合電路和測量電路的輸入級。
但是差分放大電路結構復雜、分析繁瑣,特別是其對差模輸入和共模輸入信號有不同的分析方法,難以理解,因而一直是模擬電子技術中的難點。
差分放大電路:按輸入輸出方式分:有雙端輸入雙端輸出、雙端輸入單端輸出、單端輸入雙端輸出和單端輸入單端輸出四種類型。按共模負反饋的形式分:有典型電路和射極帶恒流源的電路兩種。
壹芯微科技專注于“二,三極管、MOS(場效應管)、橋堆”研發、生產與銷售,20年行業經驗,擁有先進全自動化雙軌封裝生產線、高速檢測設備等,研發技術、芯片源自臺灣,專業生產流程管理及工程團隊,保障所生產每一批物料質量穩定和更長久的使用壽命,實現高度自動化生產,大幅降低人工成本,促進更好的性價比優勢!選擇壹芯微,還可為客戶提供參數選型替代,送樣測試,技術支持,售后服務等,如需了解更多詳情或最新報價,歡迎咨詢官網在線客服!
手機號/微信:13534146615
QQ:2881579535
工廠地址:安徽省六安市金寨產業園區
深圳辦事處地址:深圳市福田區寶華大廈A1428
中山辦事處地址:中山市古鎮長安燈飾配件城C棟11卡
杭州辦事處:杭州市西湖區文三西路118號杭州電子商務大廈6層B座
電話:13534146615
企業QQ:2881579535

深圳市壹芯微科技有限公司 版權所有 | 備案號:粵ICP備2020121154號