來源:壹芯微 發布日期
2023-03-08 瀏覽:-使用升壓轉換器,從低輸入電壓生成高輸出電壓。使用開關穩壓器和升壓拓撲可以輕松實現這種電壓轉換。但是,電壓增益本身存在限制。電壓增益是輸出電壓與輸入電壓的比值。如果從12V輸入電壓生成24V輸出電壓,電壓增益為2。
以一個工業應用為例,需要從24V電源電壓生成300V輸出電壓,輸出電流為160mA。
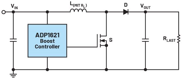
圖1.升壓轉換器電路
還可以使用占空比來表示電壓增益:
占空比和電壓增益是升壓轉換器的主要參數。占空比表示在每個周期中,開關S開啟的時長。電壓增益表示輸出電壓超出輸入電壓的比例(因數)。
為了生成高電壓,占空比數值會增大到接近于1,但不會達到1。
選擇具有較高的最大占空比的升壓轉換器,似乎可以從低電源電壓生成高輸出電壓。但是,這不是唯一的決定因素。除了占空比限制,還必須考慮可能達到的最大電壓增益。
電壓增益是升壓轉換器可能實現的最大輸出電壓與可用的輸入電壓的比值。可以這樣理解升壓轉換器本身的限制:在使用升壓轉換器時,所有電能從輸入端傳輸到輸出端時,必須先暫時存儲起來。在開啟期間,也就是,在圖1中的開關S開啟期間,電能將暫時存儲在電感L中。此時,圖1中的二極管D會阻斷電流流動。
在關閉期間,電感L中暫時存儲的電能會放電。電感充電和放電都必須遵循電感規則。在每種情況下,電流由電感值和電感兩端的電壓差決定。電感兩端的電壓可以簡單描述為:充電期間為VIN,關閉期間為VOUT - VIN。
電壓增益較高時,關閉時間可能不夠長,導致電感中暫時存儲的電能無法完全放電。因此,公式1中描述占空比的簡化公式無法表述這種限制。只有同時考慮電感的直流電阻(DCR)和負載電阻時,最大電壓增益公式才算成立。參見公式2:
所以,RL和RLOAD的比值會影響可能的輸入和輸出電壓之間的比值,進而影響升壓轉換器的電壓增益。該電壓增益可以如圖所示。圖2所示的示例中,輸入電壓為24V,輸出電壓為300V,電流為160mA,負載電阻為1.8kΩ,電感RL的DCR為3Ω。
圖2.當負載電阻高達電感DCR (RL)的600倍時可能實現的電壓增益
在該示例中,圖2顯示電壓增益可能達到約12.5(根據公式2演算得出)。但是,如果負載電阻降低(即:輸出電流增高),或者電感的DCR (RL)增高(即:電感尺寸減小),將會無法實現要求的電壓增益。
圖3顯示負載電阻和電感電阻的比值為300時的電壓增益曲線。此時,選擇RL為6Ω,負載電阻為1.8kΩ。
圖3.當負載電阻高達電感DCR的300倍時可能實現的電壓增益
圖3顯示,在這種情況下,最大電壓增益僅為9。所以,無法將24V輸入電壓轉換為300V輸出電壓。所選的DCR,或者電感的RL太高了。
總之,在設計采用升壓拓撲的電路時,務必要確定可能達到的最大電壓增益。需要注意,它取決于負載電阻(也就是輸出電流)和電感的DCR。如果情況顯示似乎無法達到所需的電壓增益,可以選擇具有更低DCR的更大電感。
壹芯微科技專注于“二,三極管、MOS(場效應管)、橋堆”研發、生產與銷售,20年行業經驗,擁有先進全自動化雙軌封裝生產線、高速檢測設備等,研發技術、芯片源自臺灣,專業生產流程管理及工程團隊,保障所生產每一批物料質量穩定和更長久的使用壽命,實現高度自動化生產,大幅降低人工成本,促進更好的性價比優勢!選擇壹芯微,還可為客戶提供參數選型替代,送樣測試,技術支持,售后服務等,如需了解更多詳情或最新報價,歡迎咨詢官網在線客服!
手機號/微信:13534146615
QQ:2881579535
工廠地址:安徽省六安市金寨產業園區
深圳辦事處地址:深圳市福田區寶華大廈A1428
中山辦事處地址:中山市古鎮長安燈飾配件城C棟11卡
杭州辦事處:杭州市西湖區文三西路118號杭州電子商務大廈6層B座
電話:13534146615
企業QQ:2881579535

深圳市壹芯微科技有限公司 版權所有 | 備案號:粵ICP備2020121154號