來源:壹芯微 發布日期
2023-02-01 瀏覽:-固態繼電器簡寫SSR(Solid State Relay),是一種全部由分離的固態電子元件(如光耦合器、晶體管、可控硅、電阻、電容、集成電路等)組成的無觸點電阻開關!
這里請注意,相比較與繼電器、接觸器,固態繼電器是無觸點的耦合開關。
因此,廣泛地應用于計算機外圍接口設備、恒溫、調溫系統、控制電爐加熱等方面。另外在化工、煤礦等需要防腐蝕、防潮濕的領域也大量的使用。
固態繼電器的輸入與輸出之間是電絕緣的,同時與普通的電磁繼電器相比,SSR體積小,開關速度快,沒有機械觸頭,因此也不存在氧化或機械磨損。
固態繼電器因為依靠半導體器件耦合作用,因此其內部類似填充膠包裹內部電路,不害怕有害氣體腐蝕和機械引起的震動。
另外,SSR的驅動電壓較低,電流小也是在市場廣泛受歡迎的原因之一。
電有分直流和交流,在工業現場固態繼電器根據電流類別不同分為直流(DCSSR)固態繼電器和交流(ACSSR)。
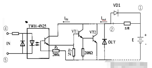
DCSSR工作原理圖
上圖原理圖可看出一起有個引腳,即2、3、4、5。其中4和5用于輸入控制電壓,引出腳2、3用于輸出控制電壓。
4N25是耦合電路,其余為觸發電路。當輸入電壓大于發光二極管正向壓降時便有IIN流過,于是IOUT流過。UIN越大,Iout也越大,直至飽和。
上圖外接二極管VD1用于感性負載(如電機、電磁閥等)情況下,防止由于DCSSR突然截止所引起的過高電壓。
壹芯微科技專注于“二,三極管、MOS(場效應管)、橋堆”研發、生產與銷售,20年行業經驗,擁有先進全自動化雙軌封裝生產線、高速檢測設備等,研發技術、芯片源自臺灣,專業生產流程管理及工程團隊,保障所生產每一批物料質量穩定和更長久的使用壽命,實現高度自動化生產,大幅降低人工成本,促進更好的性價比優勢!選擇壹芯微,還可為客戶提供參數選型替代,送樣測試,技術支持,售后服務等,如需了解更多詳情或最新報價,歡迎咨詢官網在線客服!
手機號/微信:13534146615
QQ:2881579535
工廠地址:安徽省六安市金寨產業園區
深圳辦事處地址:深圳市福田區寶華大廈A1428
中山辦事處地址:中山市古鎮長安燈飾配件城C棟11卡
杭州辦事處:杭州市西湖區文三西路118號杭州電子商務大廈6層B座
電話:13534146615
企業QQ:2881579535

深圳市壹芯微科技有限公司 版權所有 | 備案號:粵ICP備2020121154號