來源:壹芯微 發布日期
2022-01-12 瀏覽:-有源電力濾波器的分類介紹
由于無源濾波器特性受系統參數影響大,只能消除特定的幾次諧波,過載能力小,對系統阻抗和頻率變化的適應性較差,穩定性較差等因素,人們將濾波研究方向逐步轉向有源濾波器(ActivePowerFliter,縮寫為APF)。有源電力濾波器作為一種新型的諧波治理技術,是消除諧波污染、提高電能質量的有效工具。與傳統的無源濾波器相比,有源電力濾波器具有補償各次諧波、抑制閃變、補償無功,自動跟蹤補償變化的諧波等技術優勢。下面將介紹其的分類以及應用:
1.按逆變器直流側儲能元件分類
有源電力濾波器的主電路一般由PWM逆變器構成。根據逆變器直流側儲能元件的不同,可分為電壓型有源濾波器(儲能元件為電容)和電流型有源濾波器(儲能元件為電感)。
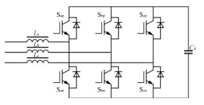
1.1電壓型
電壓型有源濾波器在工作時需對直流側電容電壓控制,使直流側電壓維持不變,因而逆變器交流側輸出為PWM電壓波。優點是損耗較少,效率高,是目前國內外絕大多數有源濾波器采用的主電路結構。如圖1所示。

圖1電壓型有源濾波器
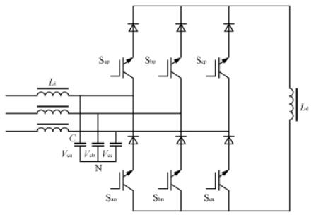
1.2電流型
電流型有源濾波器在工作時需對直流側電感電流進行控制,使直流側電流維持不變,因而逆變器交流側輸出為PWM電流波。由于電流側電感上始終有電流流過,該電流在電感內阻上將產生較大損耗,所以目前較少采用。如圖2所示。

圖2電流型有源濾波器
2.按電路拓樸結構分類
有源電力濾波器可分為并聯型、串聯型、串-并聯型和混合型。
2.1并聯型
圖3所示為并聯型有源濾波器的基本結構。它主要適用于電流源型非線性負載的諧波電流抵消、無功補償以及平衡三相系統中的不平衡電流等。目前并聯型有源濾波器在技術上已較成熟,它也是當前應用最為廣泛的一種有源濾波器拓補結構。

圖3并聯型有源濾波器
2.2串聯型
圖4所示為串聯型有源濾波器的基本結構。它通過一個匹配變壓器將有源濾波器串聯于電源和負載之間,以消除電壓諧波,平衡或調整負載的端電壓。與并聯型有源濾波器相比,串聯型有源濾波器損耗較大,且各種保護電路也較復雜,因此,很少研究單獨使用的串聯型有源濾波器,而大多數將它作為混合型有源濾波器的一部分予以研究。

圖4串聯型有源濾波器
2.3混合型
圖5所示為混合型有源濾波器的基本結構。它是在串聯型有源濾波器的基礎上使用一些大容量的無源L-C濾波網絡來承擔消除低次諧波,進行無功補償的任務。而串聯型有源濾波器只承擔消除高次諧振及阻尼無源LC網絡與線路阻抗產生的諧波諧振的任務。從而使串聯型有源濾波器的電流、電壓額定值大大減少(功率容量可減少到負載容量的5%以下),降低了有源濾波器的成本和體積。從經濟角度而言,這種結構形式在目前是一種值得推薦的方案。但隨著電力電子器件性能的不斷提高,成本不斷下降,混合型有源濾波器可能被下面一種性能價格比更高的有源濾波器代替。

圖5混合型有源濾波器
2.4串-并聯型
圖6所示為串-并聯型有源濾波器的基本結構。它組合了串聯有源濾波器和并聯有源濾波器的優點,能解決電氣系統發生的大多數電能質量問題,所以又稱之為萬能有源濾波器或統一電能質量調節器(UPQC),該類有源濾波器的主要問題是控制復雜、造價較高。

圖6串-并聯型有源濾波器
以上就是有源電力濾波器的分類介紹了。目前有源電力濾波器可廣泛應用于工業、商業和機關團體的配電網中,如:電力系統、電解電鍍企業、水處理設備、石化企業、大型商場及辦公大樓、精密電子企業、機場/港口的供電系統、醫療機構等等。根據應用對象不同,有源電力濾波器的應用將起到保障供電可靠性、降低干擾、提高產品質量、增長設備壽命減少設備損壞等作用。
〔壹芯微〕專業研發生產二極管,三極管,MOS管,橋堆,專注領域,專業品質,研發技術-芯片源自中國臺灣,擁有全工序封裝生產線,配備高標準可靠性實驗室,引入國外先進測試儀器,檢測設備,以及專業團隊豐富的生產經驗,保障每個器件的參數和性能的充分穩定性,同時實現了高度全自動化生產,大幅度降低人工成本,并與中國臺灣芯片制造商達成合作,產品低于同行10%,壹芯微還提供有選型替代,技術支持,售后FAE,歡迎點擊頁面右側"在線客服" 咨詢了解產品詳情和最新報價,提供免費樣品送予測試
手機號/微信:13534146615
QQ:2881579535
工廠地址:安徽省六安市金寨產業園區
深圳辦事處地址:深圳市福田區寶華大廈A1428
中山辦事處地址:中山市古鎮長安燈飾配件城C棟11卡
杭州辦事處:杭州市西湖區文三西路118號杭州電子商務大廈6層B座
電話:13534146615
企業QQ:2881579535

深圳市壹芯微科技有限公司 版權所有 | 備案號:粵ICP備2020121154號