來源:壹芯微 發布日期
2022-11-21 瀏覽:-1.電路工作原理
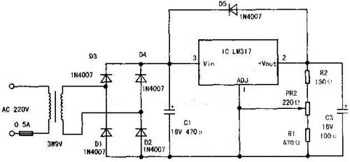
用三端可調正壓集成穩壓器LM317構成的穩壓電源電路如下圖所示。圖中220V的交流電經保險管送到變壓器的初級線圈,并從次級線圈感應出經約9V的交流電壓送到由四個二極管組成的橋式整流器。經過Cl濾波后的比較穩定的直流電送到三端穩壓集成電路LM317的Vin端(3腳)。LM317由Vin端給它提供工作電壓以后,它便可以保持其+Vout端(2腳)比其ADJ端(1腳)的電壓高1.25V。因此,我們只需要用極小的電流來調整ADJ端的電壓,便可在+Vout端得到比較大的電流輸出,并且電壓比ADJ端高出恒定的1.25V。還可以通過調整PR1來改變輸出電壓一反正LM317會保證接入ADJ端和+Vout端的那部分電阻上的電壓為1.25V,所以可以想到:當PR1向上滑動時,輸出電壓將會升高。
圖中D5的作用是當有意外情況使得LM317的3腳電壓比2腳電壓還低的時候防止從C3上電壓過高損壞LM317。
2.元器件選擇
IC選用LM317或與其功能相同的其它型號。變壓器可以選擇一般常見的9N12V的小型變壓器,二極管選1N4001-1N4007均可。Cl選擇耐壓大于16V、容量470~2200μF的電解電容均可。C2選用普通的瓷片電容即可。C3的選擇類似于Cl。電阻選用1/8W的小型電阻。
3.制作印制電路板
利用ProtELDXP2004SP2軟件繪制原理圖,從原理圖生成印制電路板圖,用熱轉印法制作印制電路板。使用單面敷銅板,尺寸為:100×50mm,參考圖如下圖所示。
4.安裝與調試
裝配時要注意的是二極管、電解電容器的極性。
LM317因工作電流較小,可以不加散熱片。裝好后再檢查一遍,無誤后接通電源。這時用萬用表測量Cl兩端,應有11V左右的電壓,再測C3兩端,應有2—7V的電壓。再調節PR1,C3兩端的電壓應該能夠改變,調到你所需要的電壓即可。輸出端可以接一根十字插頭線,以便與隨身聽等用電器相連。
5.擴展應用LM317的輸出電壓可以從1.25V連續調節到37V。
其輸出電壓可以由下式算出:
輸出電壓=1.25×(1+ADJ端到地的電阻/ADJ端到+Vout端的電阻)。
如果需要其它的電壓值,即可自選改變有關電阻的阻值來得到。值得注意的是,LM317T有一個最小負載電流的問題,即只有負載電流超過某一值時,它才能起到穩壓的作用。這個電流隨器件的生產廠家不同在3~8mA不等,這個可以通過在負載端接一個合適的電阻來解決。
壹芯微科技專注于“二,三極管、MOS(場效應管)、橋堆”研發、生產與銷售,20年行業經驗,擁有先進全自動化雙軌封裝生產線、高速檢測設備等,研發技術、芯片源自臺灣,專業生產流程管理及工程團隊,保障所生產每一批物料質量穩定和更長久的使用壽命,實現高度自動化生產,大幅降低人工成本,促進更好的性價比優勢!選擇壹芯微,還可為客戶提供參數選型替代,送樣測試,技術支持,售后服務等,如需了解更多詳情或最新報價,歡迎咨詢官網在線客服!
手機號/微信:13534146615
QQ:2881579535
工廠地址:安徽省六安市金寨產業園區
深圳辦事處地址:深圳市福田區寶華大廈A1428
中山辦事處地址:中山市古鎮長安燈飾配件城C棟11卡
杭州辦事處:杭州市西湖區文三西路118號杭州電子商務大廈6層B座
電話:13534146615
企業QQ:2881579535

深圳市壹芯微科技有限公司 版權所有 | 備案號:粵ICP備2020121154號