來源:壹芯微 發布日期
2023-07-27 瀏覽:-穩壓二極管與三極管簡易測試電路圖介紹
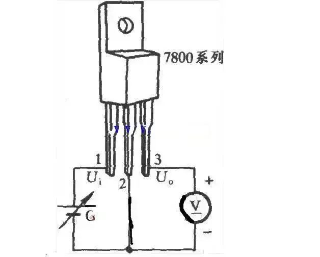
三端穩壓集成電路工作性能測試電路圖
在三端穩壓器的①、②腳加上直流電壓(圖中是用可調的直流電源G),加時一定要注意G的極性,Ui應比穩壓器的穩壓值U。至少要高2V,但最高不可超過35V。將萬用表打在直流電壓擋,測量穩壓器的③腳與②腳之間的電壓值,則為該穩壓器的穩定電壓。
穩壓二極管工作性能速測電路
如圖,VT1、VT2等組成無穩態自激多諧振蕩器,其振蕩頻率由C1、R2、R3、C2等決定。本振蕩器周期在4秒左右。當VT2輸出高電平時,經VD整形,VT3導通,并通過發光二極管H1、電阻R6限流,觸發雙向晶閘管VS。正常的晶閘管VS立即導通,發光二極管H2發光;
當VT2輸出為低電平時,VD、VT3截止,VS截止,H2不亮。H1、H2同步閃爍,證明晶閘管是好的;若H1閃爍而H2總是熄滅的,表示VS內部斷路;當H2常亮,則說明VS內部擊穿;
當H1、H2都不閃爍,表明VT1、VT2電路不起振。此電路也可測量二極管,測量時將二極管正極插入X1,負極插入X2,H2亮則待測管是好的;反向再插,H2應不亮。這個電路還可測量三極管。
將三極管的基極插入X3,發射極插入X2,集電極插入X1,如果正常,則H1、H2同步閃爍。
壹芯微科技專注于“二,三極管、MOS(場效應管)、橋堆”研發、生產與銷售,21年行業經驗,擁有先進全自動化雙軌封裝生產線、高速檢測設備等,研發技術、芯片源自臺灣,專業生產流程管理及工程團隊,保障所生產每一批物料質量穩定和更長久的使用壽命,實現高度自動化生產,大幅降低人工成本,促進更好的性價比優勢!選擇壹芯微,還可為客戶提供參數選型替代,送樣測試,技術支持,售后服務等,如需了解更多詳情或最新報價,歡迎咨詢官網在線客服!
手機號/微信:13534146615
QQ:2881579535
工廠地址:安徽省六安市金寨產業園區
深圳辦事處地址:深圳市福田區寶華大廈A1428
中山辦事處地址:中山市古鎮長安燈飾配件城C棟11卡
杭州辦事處:杭州市西湖區文三西路118號杭州電子商務大廈6層B座
電話:13534146615
企業QQ:2881579535

深圳市壹芯微科技有限公司 版權所有 | 備案號:粵ICP備2020121154號