來源:壹芯微 發布日期
2023-06-21 瀏覽:-無橋PFC電路的種類介紹
PFC是一種解決傳統AC整流電路引起的電網污染問題的電路. 常規整流濾波電路的整流橋只有在輸入正弦波電壓接近峰值時才會導通, 因此導致了輸入電流程嚴重非正弦性, 導致輸入產生了大量諧波電流成份, 降低了電網的利用率同時有潛在的干擾其他電器的可能.
PFC電路通過對輸入AC電流進行'整形', 使輸入電流為近似和輸入電壓同相位的正弦波, 達到了輸入功率接近1的可能.
常用的PFC電路均為Boost升壓拓撲, 根據Boost拓撲在不同工作模式(DCM\\BCM\\CCM)下的特性不同, 控制方法可以分為3種. BCM和CCM采用的較多, BCM為變頻控制, 可以實現零電壓開啟(降低開通損耗), 但是較高的開關管有效電流限制了它只能在中小功率的場合, 大功率場合是CCM的天下.
對于CCM的PFC, 主要問題是二極管的反向恢復問題, 在反向恢復期間產生的大反向電流會產生額外的損耗還有潛在干擾電路的風險. 具體可以通過增加RC電路(有損)或者ZVT技術(無損,但是比較復雜)進行解決。
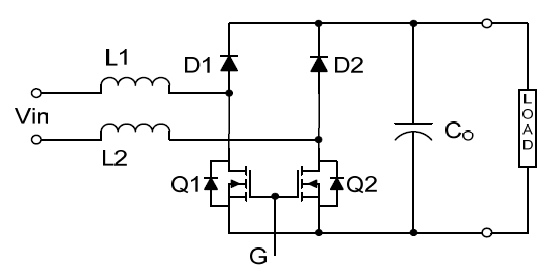
由于PFC通常被設計成寬電壓輸入模式(85-265V輸入), 在低輸入電壓時輸入電流會比較大, 當輸出功率比較大時, 各功率器件尤其是輸入整流橋的電流壓力和散熱壓力尤為明顯. 如下圖
當開關管開通時, 電流會經過2個低速整流二極管, 1個mos管, 當開關管關閉的時候, 電流會經過2個低速整流管和1個快恢復二極管.
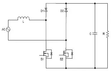
對于110V情況下輸出1500W的PFC來說,整流橋損耗可達30W左右, 是一個相當可觀的數字如果能通過改進拓撲取消掉整流橋, 將會極大的提高效率. 改進的電路如下圖, 它在每個正周期內和負周期內等效為1個普通的Boost拓撲:
電感電流上升的周期(相當于普通Boost中mos開通時), 電流經過2個mos管(其中一個反向導通), 當電感電流下降時,電流經過1個mos的體二極管和一個快恢復二極管. 由于經過的半導體數目減少了, 而且mos具有更低的導通電阻, 因此能極大的提高效率.
兩個mos管可以直接由傳統CCM控制芯片同時驅動, 也可以加入同步整流邏輯之后驅動, 這樣可以在電感電流下降的時候提供一個mos管的低壓降導通回路, 再提升那么一點點效率.
這種拓撲帶來效率提升的同時, 也帶來了一些新的問題:
由于PFC的主體都在高頻電感之后, 相對于大地(Earth)的電位是高速變化的, 會產生更高的EMI問題, 通過采用雙對稱繞組電感和增加一些高頻回路可以減輕這個問題
由于采用了雙對稱繞組電感, PFC主體和AC線路沒有直接的聯系, 因此對于控制電路來說, 檢測交流線路的有效電壓值和瞬時電壓值都變得極為困難, 由于有兩個mos管, 電流的回路也變得比較復雜, 無論用互感器或者電阻都不能簡單的獲得一個精確的包含電感高頻電流成品的信號. 這使得傳統CCM控制芯片不能發揮用武之地.
這里有六種無橋PFC, 分別是:
標準無橋PFC
這種PFC在正負半周的時候, 兩個管子一個續流一個充當高頻開關。
這種拓撲的優點是使用功率元件比較少, 兩個管子可以一起驅動, 這簡化了驅動電路的設計, 同時讓直接使用傳統APFC的控制芯片成為可能.
但它同時存在幾個問題, 電流流向復雜而且不共地, 電流采樣困難, 有較大的共模干擾因此輸入濾波器要仔細設計
雙Boost無橋PFC
這種拓撲由標準無橋PFC改良而來, 增加了D3和D4作為低頻電流的回路, S1和S2只作為高頻開關而不參與低頻續流
同標準無橋PFC, S1和S2能同時驅動, 而在兩個低頻二極管D3和D4之后插入取樣電阻又可以像普通PFC簡單地傳感電流
同時這種拓撲具有更低的工模電流
但是這種拓撲必須使用兩個電感, 電流流向有不確定性, 低頻二極管和mos的體二極管可能同時導通, 增加了不穩定因素
雙向開關無橋PFC
S1和S2組成了雙向開關, 他們可以同時驅動, 采用電流互感器可以很容易的檢測電流, D1和D3為超快恢復二極管, D2和D4可以采用低頻二極管。
缺點在于整個電路的電勢相對于大地都在劇烈變化, 會產生比標準無橋PFC更嚴重的EMC問題, 輸出電壓無法直接采樣, 需要隔離采樣(使用光耦, 但是會增加復雜度) 。
圖騰柱PFC
由標準無橋PFC演化而來, 但是原理稍微改變。
D1和D2為低頻二極管, S1和S2的體二極管提供高頻整流開關作用。
這種電路具有較低的EMI, 使用元件較少, 設計可以很緊湊。
但是S1和S2需要使用不同的驅動信號, 工頻周期不同信號也不一樣, 增加了控制的復雜性, S2不容易驅動(可以嘗試IR2110等自舉驅動芯片) 。
S1和S2如果采用mos, mos的體二極管恢復較慢(通常數百ns)會產生較大的電流倒灌脈沖, 引起很大的損耗, 足以抵消無橋低損耗的優勢。
S1和S2如果采用IGBT, 雖然其體二極管的性能沒問題, 但是其導通壓降比較大, 也會產生很高的損耗, 尤其是在低電壓輸入的情況下。
假圖騰柱PFC
在圖騰柱PFC基礎上演化而來 D2和D4代替了原來S1和S2內部的體二極管的續流作用。
控制方式和圖騰柱PFC完全相同。
這種拓撲需要兩個電感, 利用率不高, 體積較大, S2極難驅動。
這種拓撲只能算在高性能開關器件誕生前的一種這種方案。
介紹了這六種PFC, 每一時刻電流只通過兩個功率開關器件, 比傳統PFC的三個少, 在不使用軟開關和交錯技術的情況下, 理論上這些拓撲的損耗幾乎相差無幾, 都比傳統PFC高。剩下的主要就從EMC和易于實現的角度考慮了。
綜合考慮下來還是 采用標準無橋PFC作為現階段的拓撲, GaN開關器件普及之后采用圖騰柱PFC。
壹芯微科技專注于“二,三極管、MOS(場效應管)、橋堆”研發、生產與銷售,20年行業經驗,擁有先進全自動化雙軌封裝生產線、高速檢測設備等,研發技術、芯片源自臺灣,專業生產流程管理及工程團隊,保障所生產每一批物料質量穩定和更長久的使用壽命,實現高度自動化生產,大幅降低人工成本,促進更好的性價比優勢!選擇壹芯微,還可為客戶提供參數選型替代,送樣測試,技術支持,售后服務等,如需了解更多詳情或最新報價,歡迎咨詢官網在線客服!
手機號/微信:13534146615
QQ:2881579535
工廠地址:安徽省六安市金寨產業園區
深圳辦事處地址:深圳市福田區寶華大廈A1428
中山辦事處地址:中山市古鎮長安燈飾配件城C棟11卡
杭州辦事處:杭州市西湖區文三西路118號杭州電子商務大廈6層B座
電話:13534146615
企業QQ:2881579535

深圳市壹芯微科技有限公司 版權所有 | 備案號:粵ICP備2020121154號