來源:壹芯微 發布日期
2023-06-28 瀏覽:-無橋PFC電路的工作過程解析
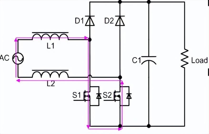
(a)工頻正半工作周期,S1和S2開通
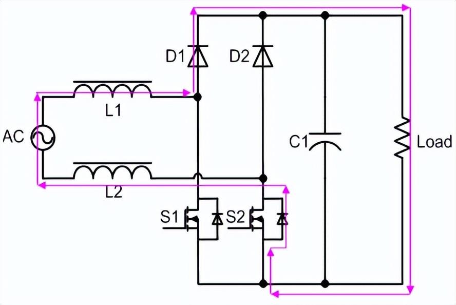
(b)工頻正半工作周期,S1和S2關斷
圖1 無橋PFC電路工作過程(工頻正半工作周期)
無橋PFC在一個工頻周期內根據輸入電壓的極性可分為兩個階段:正半工作周期和負半工作周期。圖1所示為輸入工頻正半周期的無橋PFC的工作過程,當開關管S1和S2開通時,輸入AC+、L1、S1、S2、L2和AC-構成回路,當開關管S1和S2關斷時,輸入AC+、L1、D1、Load、S2、L2和AC-構成回路,在正半工作周期,S2的控制信號可以與S1一致,也可以常閉以獲得較高的效率。負半工作周期工作過程類似。
圖2 無橋PFC電路示意圖
為了便于分析,可將無橋PFC主電路簡化為如圖5所示的電路,根據無橋PFC電路的工作過程的分析,設Iin為輸入電流絕對值,可知,PFC電路的一個工頻周期可分為:
正半工頻周期時:
開關管開通時,PFCCUR_A=Iin, PFCCUR_B=-Iin
開關管截止時,PFCCUR_A=0,PFCCUR_B=-Iin
負半工頻周期時:
開關管開通時,PFCCUR_A=-Iin,PFCCUR_B=Iin
開關管截止時,PFCCUR_A=-Iin,PFCCUR_B=0
即在正(負)半工頻周期,PFCCUR_B(PFCCUR_A)的負值體現了輸入電流大小,因此,為了獲得完整的輸入電流信號,可以通過對PFCCUR_A和PFCCUR_B的負值進行合成處理來實現。
共陰極二極管構成高電平競爭電路的實現方式
圖3 高頻紋波電流直接經過EMI電容
由于EMC濾波電容的存在,而電感對高頻信號呈高阻特性,大部分的紋波電流都從EMI電容流過回到交流側,如圖3所示;因此經過開關管寄生二極管以及電感的電流變得比較平滑,開關頻率的高頻成分很小,有利于采樣控制。
圖4 電流采樣Saber仿真結果
壹芯微科技專注于“二,三極管、MOS(場效應管)、橋堆”研發、生產與銷售,21年行業經驗,擁有先進全自動化雙軌封裝生產線、高速檢測設備等,研發技術、芯片源自臺灣,專業生產流程管理及工程團隊,保障所生產每一批物料質量穩定和更長久的使用壽命,實現高度自動化生產,大幅降低人工成本,促進更好的性價比優勢!選擇壹芯微,還可為客戶提供參數選型替代,送樣測試,技術支持,售后服務等,如需了解更多詳情或最新報價,歡迎咨詢官網在線客服!
手機號/微信:13534146615
QQ:2881579535
工廠地址:安徽省六安市金寨產業園區
深圳辦事處地址:深圳市福田區寶華大廈A1428
中山辦事處地址:中山市古鎮長安燈飾配件城C棟11卡
杭州辦事處:杭州市西湖區文三西路118號杭州電子商務大廈6層B座
電話:13534146615
企業QQ:2881579535

深圳市壹芯微科技有限公司 版權所有 | 備案號:粵ICP備2020121154號