來源:壹芯微 發布日期
2023-02-04 瀏覽:-除靜電放電(ESD)測試外,放大器始終具有通電特性,因此解決非放大器問題并不總是一截了當。回答非放大器問題需要詳細了解放大器的內部晶體管級工作原理、非放大器在沒有電源的情況下的行為、連接到非放大器的外部電路以及該外圍電路在沒有電源的情況下的行為。
奇怪的是,大多數非放大器問題都涉及電壓,但不是電源電壓。目標電壓通常是施加到失放輸入或輸出的電壓。為了節省電力,用戶將有選擇地關閉其系統的某些部分。這通常會導致電壓施加到系統的未供電部分。用戶通常有興趣了解失放對這種錯誤電壓的反應,以及他們必須采取哪些預防措施來確保失放的安全。
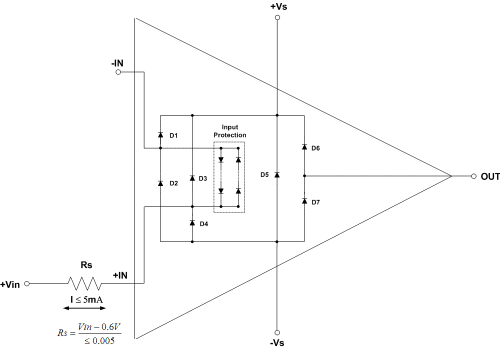
要了解如何保護非放大器,我們必須首先查看ESD保護二極管,這是放大器的第一道防線。ESD二極管可保護放大器免受短時間高壓的影響,但如果流經它們的電流不受限制,則長時間暴露在低直流電壓下可能會損壞或破壞。圖1所示為帶有ESD保護二極管的典型運算放大器。
二極管D1至D7構成放大器的ESD保護網絡。±IN之間的虛線內所示的二極管構成了另一個保護網絡,可保護放大器輸入級免受過壓情況的影響1.反并聯網絡中串聯二極管的數量因放大器而異。要估計放大器輸入之間的二極管數量,請查看放大器數據手冊中絕對最大額定值表中的差分輸入電壓。
當放大器電源關閉時,±IN上的電壓可以打開二極管D1至D4。圖1顯示了從+IN通過保護二極管到電源的電流路徑,假設存在一條接地返回路徑。紅色跡線表示正電壓至+Vs的路徑;藍色跡線顯示負電壓至–Vs的路徑。在失放輸出端存在電壓的情況下,可以通過二極管D6和D7從輸出到電源繪制類似的路徑。最重要的安全預防措施是限制進入失放引腳的電流。
圖1.從+IN到電源的失放電流路徑
如果沒有電流限制,二極管和放大器可能會損壞或損壞。我們通常建議將進入任何放大器引腳的電流限制在5 mA或更低。通常,必須添加的只是一個串聯電阻器。圖2所示為限流離放的原理圖。在正常工作條件下,Rs對整個電路功能幾乎沒有影響。假設最壞情況是±Vs引腳接地,計算Rs,如下式所示:


圖2.限流失放
在最近另一項涉及FET輸入放大器的離放調查中,用戶想知道配置為單位增益的離放是否仍會在同相輸入端對直流電壓產生高輸入阻抗。
回答:“是也不是。對于小于0.6 V的電壓,非放大器輸入具有高輸入阻抗,因為ESD二極管至少需要0.6 V才能導通。如果沒有傳導路徑,輸入仍顯示為高阻抗。但是,如果輸入電壓大于0.6 V,電流將開始流過ESD二極管和失放內的其他“潛行路徑”。要限制 D3 中的電流,請使用方程求解 Rs。如果對非放大器輸入施加4 V的更差情況,則Rs必須至少為680歐姆,而不是高輸入阻抗。
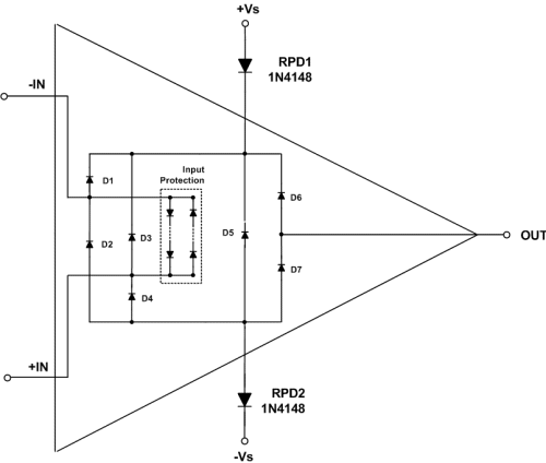
反極性保護可以在這些應用中提供幫助。作為國防電子的前設計師,反極性保護是我經常在設計中加入的東西。反極性保護可確保電路安全,即使將錯誤的極性電源連接到系統的偏置引腳也是如此。結合反極性保護是一種簡單、低成本的保險單;只需要一對二極管。如果應用正確的電源極性,二極管將正向偏置,電路按預期工作。如果施加相反的電源極性,則二極管反向偏置。沒有電流可以通過,電路受到保護。圖3所示為帶有反極性保護二極管的放大器。
圖3.具有反極性保護的運算放大器
反極性保護二極管還允許在更大的輸入范圍內實現高輸入阻抗,因為二極管增加了額外的壓降,在電流流動之前必須克服這個壓降。防止電流通過D3流向+Vs引腳,由外部二極管RPD1優雅地實現。對于正電壓,RPD1 反向偏置,因此防止電流流過 D3。電流不會通過反向偏置的ESD二極管D4從輸入流向負軌,而是通過FET輸入級的PN結尋求另一條路徑。二極管RPD2形成一個額外的電壓勢壘,在任何電流流動之前必須克服該勢壘。
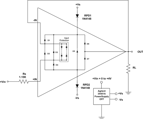
圖4所示為用于測量離放輸入阻抗的測試電路。請注意,Rs 大于等式所需的值。較大的電阻器進一步限制了電流,同樣重要的是,它在實驗室中很容易獲得。
圖4.失放輸入阻抗測試電路
圖5顯示了不帶反極性保護二極管的FET離型放大器的輸入阻抗。輸入阻抗隨著偏置的增加使D3更難導通而減小。
圖5.無反極性保護二極管的失放輸入阻抗
圖6顯示了在極性反接保護二極管就位的情況下兩種不同負載條件下的輸入阻抗。請注意,圖 6 中的 Y 軸以 M 歐姆為單位,而不是圖 5 中使用的 K 歐姆。反極性保護二極管提供了三個數量級的改進。斷點表示隨著輸入電壓的增加,功放內的不同結點被打開。反極性保護二極管有助于提高斷點的閾值。負載阻抗值是本應用中的一個重要考慮因素。低阻抗并聯負載接地將為電流提供并聯的低阻抗路徑,并使這種方法毫無用處。因此,用戶必須了解失放在沒有電源時的行為,以及相鄰電路的行為。
圖6.帶反極性保護二極管的失放輸入阻抗
深入了解非放大器問題可能具有挑戰性,必須考慮許多因素。放大器類型、外圍電路以及輸入和輸出電壓都很重要。保護失放的最佳方法是確保與失放接觸的任何電路的電源也處于關閉狀態。如果無法做到這一點,請確保限制進入失放的電流。
壹芯微科技專注于“二,三極管、MOS(場效應管)、橋堆”研發、生產與銷售,20年行業經驗,擁有先進全自動化雙軌封裝生產線、高速檢測設備等,研發技術、芯片源自臺灣,專業生產流程管理及工程團隊,保障所生產每一批物料質量穩定和更長久的使用壽命,實現高度自動化生產,大幅降低人工成本,促進更好的性價比優勢!選擇壹芯微,還可為客戶提供參數選型替代,送樣測試,技術支持,售后服務等,如需了解更多詳情或最新報價,歡迎咨詢官網在線客服!
手機號/微信:13534146615
QQ:2881579535
工廠地址:安徽省六安市金寨產業園區
深圳辦事處地址:深圳市福田區寶華大廈A1428
中山辦事處地址:中山市古鎮長安燈飾配件城C棟11卡
杭州辦事處:杭州市西湖區文三西路118號杭州電子商務大廈6層B座
電話:13534146615
企業QQ:2881579535

深圳市壹芯微科技有限公司 版權所有 | 備案號:粵ICP備2020121154號