來源:壹芯微 發布日期
2023-06-27 瀏覽:-PFC電路的開關管驅動電路介紹
PFC(Power Factor Correction)即功率因數校正,通過調理使電網電壓和輸入電流同相位并減小高次諧波,有利于降低用電設備對電網的影響并提高電網利用率,已經成為很多電網輸入應用場合的基本要求。
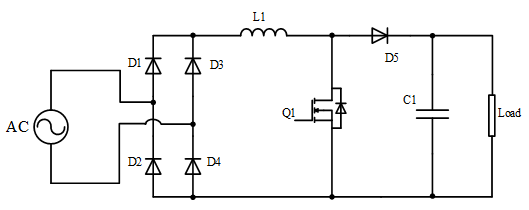
常用的有橋PFC為boost PFC電路,如圖1所示,在整流橋之后使用一個boost電路完成功率因素校正和輸出電壓穩定的功能。選用boost電路的一個重要原因就是boost電路具有驅動簡單的特點。對于這種有橋boost PFC電路可以采用低邊驅動芯片,如UCC27524,UCC27517等。這種驅動芯片相對于分立器件方案,具有驅動電流大,驅動速度快,尺寸更小,可靠性更高的特點,目前廣泛應用于各種通信電源模塊,家用空調等場合。
圖1
隨著電力電子技術的發展,人們對功率變換器效率的要求也越來越高。無橋PFC電路也越來越多被采用。常規無橋boostPFC電路如圖2所示,在正半周期時,Q1作為高頻開關,Q2作為低頻開關。但是此電路的共模EMI 性能較差,并沒有被廣泛采用。電路通過演變產生dual boost 無橋PFC(圖3)和雙向開關型無橋PFC(圖4)。對于dual boost PFC 電路,低頻續流回路為肖特基二極管D3 和D4, 對于雙向開關型無橋PFC,正半周期D1,D4導通,負半周期D2,D3導通,大大降低了共模EMI 干擾。由圖可見,常規無橋boost PFC 和改進型的dual boost PFC驅動較為簡單,可以使用低邊驅動芯片如UCC27524。對于雙向開關型無橋PFC,驅動較為復雜,開關管Q1,Q2是共源極接法,因此可以使用隔離驅動芯片UCC5310/UCC5320同時驅動兩顆開關管,也可以使用兩路隔離驅動芯片UCC21520分別驅動兩顆開關管。
圖2
圖3
圖4
圖5也是由常規無橋PFC演變來的,我們稱之為圖騰柱式無橋PFC,相對于改進型dual-boost 和雙向開關無橋PFC,省去了兩顆二極管,節省了成本。其中二極管D1,D2走低頻信號,兩個 開關管Q1,Q2為高頻管,開關管體二極管的反向恢復特性會影響整機效率,因此該電路被更多應用于DCM和CRM 模式,或者使用GaN 開關管實現的CCM 模式電路。開關管的驅動方案可以考慮使用高壓半橋驅動芯片如UCC27712,或者使用隔離驅動芯片如UCC21520(UCC21520自舉供電電路可以參考datasheet里的典型原理圖)。
圖5
壹芯微科技專注于“二,三極管、MOS(場效應管)、橋堆”研發、生產與銷售,20年行業經驗,擁有先進全自動化雙軌封裝生產線、高速檢測設備等,研發技術、芯片源自臺灣,專業生產流程管理及工程團隊,保障所生產每一批物料質量穩定和更長久的使用壽命,實現高度自動化生產,大幅降低人工成本,促進更好的性價比優勢!選擇壹芯微,還可為客戶提供參數選型替代,送樣測試,技術支持,售后服務等,如需了解更多詳情或最新報價,歡迎咨詢官網在線客服!
手機號/微信:13534146615
QQ:2881579535
工廠地址:安徽省六安市金寨產業園區
深圳辦事處地址:深圳市福田區寶華大廈A1428
中山辦事處地址:中山市古鎮長安燈飾配件城C棟11卡
杭州辦事處:杭州市西湖區文三西路118號杭州電子商務大廈6層B座
電話:13534146615
企業QQ:2881579535

深圳市壹芯微科技有限公司 版權所有 | 備案號:粵ICP備2020121154號