來源:壹芯微 發布日期
2023-04-04 瀏覽:-逆變電路的有源逆變和無源逆變的區別介紹
有源逆變是指在逆變電路中,把直流電經過直交變換,向交流電源反饋能量的變換電路。接下來小編給大家介紹一下實現有源逆變的條件是什么以及有源逆變和無源逆變有何不同。
1.實現有源逆變的條件是什么
整流是把交流電變換成直流電供給負載,那么,能不能反過來,利用相控整流電路把直流電變為交流電呢?完全可以。我們把這種整流的逆過程稱為逆變。在許多場合,同一套晶閘管或其他可控電力電子變流電路既可作整流又可作逆變,這種裝置稱為變流裝置或變流器。根據逆變輸出交流電能去向的不同,所有逆變電路又分為有源逆變(Regenerative Inversion)和無源逆變(Reactive Inversion)兩種。前者以電網為負載,即逆變輸出的交流電能回送到電網,后者則以用電器為負載,如交流電機、電爐等。
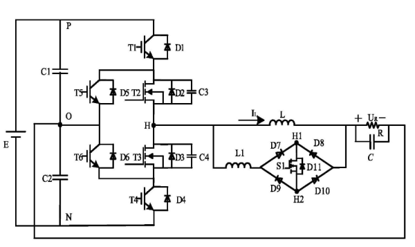
逆變電路采用三相橋式結構。由于采用負載換流方式,故橋中開關元件可采用普通晶閘管。其出端A、B、C經限流電感Lа、Lb和Lc與公共電網聯結。此處三相電網作為逆變電路負載接受其饋入電能,橋中各晶閘管T1~T6均工作于開關狀態,采用相控方式。各晶閘管的導通時刻由加到各門極脈沖的相位決定。逆變橋可視為按一定時序依次輪番通斷的 6只開關。但在任何穩定導通狀態中,橋中只有兩支元件處于導通狀態(其余為阻斷狀態)。
當變換裝置交流側接在電網上,把直流電逆變成同頻率的交流電回饋到電網上去,稱為有源逆變。當變換裝置交流側和負載連接時,將由變換裝置直接給電機等負載提供頻率可變的交流電,這種工作模式稱為無源逆變。
有源逆變本質上是觸發角大于90度的整流,有源逆變的拓撲結構與整流一模一樣,只是當觸發角大于90度時整流電路的功率方向發生了變化,相當于實現了逆變功能。所以有源逆變的交流側一定需要電源。
2.有源逆變和無源逆變有何不同
有源逆變電路通常是將直流電能轉換為50Hz(或60Hz)的交流電能并饋入公共電網,相應的裝置稱為有源逆變器。
有源逆變與無源逆變的區別:逆變電源就是把直流電逆變成交流電。有有源逆變也有無源逆變。比如說直流電壓,經過一個簡單的單相H型晶閘管橋,H的橫就是那個輸出,H的豎線上各有四個晶閘管,編號上12,下34,則分別開通14和23就得到正負相隔的輸出電壓和電流了,逆變電源的應用是很廣的, 無源逆變電路出端交流電能直接輸向用電設備的逆變電路。生產實踐中常要求把工頻交流電能或直流電能變換成頻率和電壓都可調節的交流電能供給負載,這就需要采用無源逆變電路。在電力電子電路中,除指明為有源逆變電路者外,均為無源逆變電路。
壹芯微科技專注于“二,三極管、MOS(場效應管)、橋堆”研發、生產與銷售,20年行業經驗,擁有先進全自動化雙軌封裝生產線、高速檢測設備等,研發技術、芯片源自臺灣,專業生產流程管理及工程團隊,保障所生產每一批物料質量穩定和更長久的使用壽命,實現高度自動化生產,大幅降低人工成本,促進更好的性價比優勢!選擇壹芯微,還可為客戶提供參數選型替代,送樣測試,技術支持,售后服務等,如需了解更多詳情或最新報價,歡迎咨詢官網在線客服!
手機號/微信:13534146615
QQ:2881579535
工廠地址:安徽省六安市金寨產業園區
深圳辦事處地址:深圳市福田區寶華大廈A1428
中山辦事處地址:中山市古鎮長安燈飾配件城C棟11卡
杭州辦事處:杭州市西湖區文三西路118號杭州電子商務大廈6層B座
電話:13534146615
企業QQ:2881579535

深圳市壹芯微科技有限公司 版權所有 | 備案號:粵ICP備2020121154號