來源:壹芯微 發布日期
2022-05-20 瀏覽:-LM358呼吸燈的制作原理介紹 | 壹芯微
呼吸燈是隨著數碼產品新生的一種裝飾LED電路,在手機、鼠標、電腦機箱,家庭燈具等等上可以看見。如果手機里面有未處理的通知,比如說未接來電,未查收的短信等等,呼吸燈就會由暗到亮的變化,像呼吸一樣那么有節奏,起到一個通知提醒的作用。

圖1 呼吸燈
電路設計
由LM358及外圍電路構成了一個三角波信號發生器,三極管構成一個共射電路,將加在基極的三角波信號進行放大,并且由于基極的電壓是一個三角波加在直流信號上,導致發射級的輸出電壓是一個上移的三角波信號,可以控制LED燈的亮度,形成呼吸的效果。

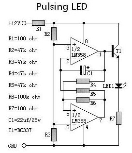
圖2 LM358經典應用電路
在圖中:LM358的3腳和6腳的電位是固定的,比如說是3V。當2腳電位低于3腳電位時,一腳輸出高電平,即T1導通,LED亮,二腳的電位是有7腳提供的,當5腳的電位高于6腳時,7腳輸出高電平。這兩個組成的相互連通的比較器來間隙的使T1導通。具體的電壓點為。3腳,2腳,5腳,6腳,7腳你要測量一下這幾個點得電壓。{2腳電壓高于3腳電壓是,1腳為低電平。2腳電壓低于3腳電壓時1腳為高電平。5腳6腳7腳同理}
要制作這樣一款呼吸燈其實非常簡單,它的原理就是一個低頻率的自激振蕩器。以前大家對于自激振蕩器的制作選擇往往第一個想到的是由555電路完成,但除了555電路外,還有運放電路也能完成該功能。
深圳壹芯微科技,20年專業生產“二極管、三極管、場效應管、橋堆”等,專業生產管理團隊對品質流程嚴格管控,超過4800家電路電器生產企業選用合作,價格低于同行(20%),更具性價比,提供選型替代,送樣測試,數據手冊,技術支持,售后FEA,如需了解更多詳情或最新報價,歡迎咨詢官網在線客服!
手機號/微信:13534146615
QQ:2881579535
工廠地址:安徽省六安市金寨產業園區
深圳辦事處地址:深圳市福田區寶華大廈A1428
中山辦事處地址:中山市古鎮長安燈飾配件城C棟11卡
杭州辦事處:杭州市西湖區文三西路118號杭州電子商務大廈6層B座
電話:13534146615
企業QQ:2881579535

深圳市壹芯微科技有限公司 版權所有 | 備案號:粵ICP備2020121154號