來源:壹芯微 發布日期
2023-07-05 瀏覽:-開關電源中的元器件如何選擇
在開關電源中,電壓、電流波形均為突變的脈沖狀態,元器件所承受電壓或電流除加在元器件上的供電電壓以外,還有電路中電感成分引起的感應電壓、電容器的充電電流等,使得元器件的選擇變得復雜化。
實際上,開關電源屬有穩壓功能的AC/DC或DC/DC變換器,即使所謂DC/DC變換,其中間環節仍然要通過脈沖狀態作為轉換媒介。實際過程是:DC先逆變成脈沖狀態的AC,再由脈沖整流、濾波成為直流電壓。在此過程中,整流、濾波元器件要求也與工頻整流電路大有區別。工頻正弦波交流電源最大值、平均值和有效值都按正弦函數有固定的比例關系,可以對元器件的額定參數進行十分準確的計算。
但是,脈沖波、電壓、電流數值的關系不是一成不變的,而是隨脈沖波形和負載性質而有很大的變化。
即使采用積分法計算脈沖波形的平均值,要求脈沖波形有一定的規律,而波形幅度與時間關系的不穩定性使這種計算往往難以準確。尤其是脈沖波形的定量測量,也非一般簡單儀表所能準確測量的,除了脈沖示波器以外,還沒有更簡單的方式,例如:開關電源開關管的反向電壓值。至于某些情況下要求測出脈沖波的有效值就更困難了。例如:用行逆程脈沖向CRT燈絲供電,要求6.3V的有效值,其準確測量,除用熱電偶傳感器組成的磁電式儀表或高頻率電動式儀表以外,似乎還沒有其他的方式。
也就是說,工作在脈沖電路中的元器件欲通過實測電壓、電流參數選擇其性能是不可能的。至于理論計算,也只能達到近似估計的程度,具體參數選擇是在計算結果的基礎上寬打窄用。最明顯的例子是:單端開關電路,從理論上計算,其開關管反壓應為輸入電壓最大值的兩倍。而實際應用中,加在開關管集電極的脈沖波形受儲能電感的集總參數、分布參數和電源負載性質的影響,開關管承受反壓值將超出理論計算值范圍。
因為電感線圈的感應電勢不僅與電流變化成正比的函數,而且與產生電流變化的時間成反比。另外,電感線圈的工藝上幾乎難以人為控制的分布參數,也使感應電勢大幅度超出計算值。因此,在脈沖狀態下,不論無源元件還是有源器件,其性能選擇不同于普通模擬電路。
開關電源元器件的選擇
3.3 輸出整流
3.3.1 肖特基二極管
在輸出低壓低的變換器中肖特基作為輸出整流管是最好的,因為它正向壓降低,又沒有反向恢復時間,正確嗎?雖然它確實正向壓降低和沒有反向恢復時間,但肖特基二極管在陰極和陽極之間通常有較大的電容。隨加在肖特基上電壓變化對此電容必然存在充電和放電(當肖特基幾乎沒有加電壓時,電容最大)。
這種現象非常像普通二極管的反相恢復電流。
視電路不同,也可能其損耗比用一個超快恢復整流管時損耗大得多。還應當注意此結電容,雖然電荷 Q 低,仍然可能與電路中雜散電感引起振蕩,在某些諧振設計中利用此特性做成軟開關。所以與普通二極管一樣有必要給肖特基加一個緩沖電路,這樣增加了損耗。此外肖特基在高溫和它的額定電壓下有很大的漏電流。
漏電流可能將正激變換器次級短路,這也許就是鍺二極管漏電流太大而不用的原因。因為這個緣故,為使反向電流不要太大,只能用到肖特基額定電壓的 3/4,溫度不超過 110℃。高壓肖特基與普通二極管正向壓降相近。你就沒有必要一定要用這樣的器件。如果今后技術發展,高壓肖特基二極管確實比雙極型二極管正向壓降低,則另當別論。
3.3.2 二極管
設計一個 12V 輸出,16A 電流,能否用兩個 10A 定額的二極管并聯?由于二極管正向壓降的負溫度系數特性和正向壓降的離散性,結果一個電流較大的二極管,損耗加大而溫度高,正向壓降降低電流繼續加大,正反饋,最后導致一個二極管流過全部電流而燒壞,記住了嗎?所以雖然能將二極管并聯但應當注意熱平衡(即確保它們之間最小的熱組)。如果用兩個分立二極管實際上這樣做不會很成功。要是兩個二極管做在一個芯片上,具有相同的熱和電氣特性。可以做到較好均衡。MOSFET 壓降具有正溫度特性,使得并聯容易。
3.3.3 反向恢復
肖特基沒有反向恢復時間,而所有雙極型二極管都有反向恢復問題。它是在二極管正向導通電流IF關斷時刻,由于少數載流子存儲效應不能立即消失,還能在短時間trr=ta+tb(圖 3.3)流過反方向(即由22陰極到陽極)電流,這個時間trr 叫做反向恢復時間。
圖 3.3 圖解了這個異常現象。在ta時間內反向電流上升到最大值,在變壓器的漏感和引線等寄生電感中存儲能量(圖 3.4),此后(tb),二極管開始截止,迫使電路中電流減少,存儲在電感中的能量釋放,與相關電路分布電容形成振蕩,產生嚴重的振鈴現象,這對變換器效率、電磁兼容造成極大影響。根據反向恢復時間將二極管的分成不同等級(普通整流管、快恢復,超快恢復等等)。
高頻變換器在輸出級峰值電壓 50V以上總是采用超快恢復二極管,50V以下采用肖特基二極管。輸出電壓低時采用同步整流MOSFET。同步整流的MOSFET的體二極管恢復速度很慢,通常大約為 1μs。它不適宜作為整流管。這就是為什么通常用肖特基與同步整流MOSFET管并聯:在MOSFET關斷時肖特基流過幾乎全部電流,這意味著體二極管不需要反向恢復。
圖 3.3 雙極型二極管反向恢復特性
快速二極管損耗小,是否越快越好?但是如果是電網整流二極管用超快恢復二極管不是好主意。問題是快恢復時間產生快速下降沿,引起電磁干擾。在這種情況下,最好還是采用普通的恢復時間 5~10μs 的整流管。高電壓定額二極管比低電壓定額的二極管有更高的正向壓降和較長的恢復時間。這就是為什么在滿足電路要求的前提下,盡可能選擇較低定額的整流管。大電流定額的二極管比小電流有更長的恢復時間,大馬拉小車也不是好主意。
3.4 功率晶體管(GTR
+U -U -U +U初始電流方向 隨后電流可能方向
圖 3.4 在電流從陽極流向陰極之后,在陽極-陰極之間加反向電壓,電流由陰極流向陽極目前使用的功率開關晶體管也稱 GTR(巨型晶體管 ) , 有 功 率 雙 極 型 晶 體 管 ( BJT) 、 MOSFET 和IGBT。開關電源中功率管主要關心器件的導通電阻(或壓降)和開關速度。功率晶體管的導通壓降和開關速度都與其電壓定額有關。電壓定額越高,導通壓降越大,開關時間越長。因此,在滿足 1.2~1.5 倍工作電壓外,盡可能選擇電壓低的器件。
3.4.1 雙極型晶體管(BJT)
功率雙極型晶體管輸出特性有一個以集電極最大電流ICM,集電極最大允許損耗PCM,二次擊穿特性Is/b和集電極-發射極擊穿電壓U(BR)CEO為邊界構成的安全工作區(SOA)。不管在瞬態還是在穩態,
晶體管電流與電壓軌跡都不應當超出安全工作區對應的邊界。同時邊界限值與溫度、脈沖寬度有關,溫度升高有些邊界還應當降額。
許多小信號BJT二次擊穿特性在ICM,PCM,U(BR)CEO為邊界的安全區以內。同時小信號BJT沒有開關工作規范,列出最大直流集電極電流,但沒有與脈沖電流有關的曲線。如果沒有給你電流脈沖電流定額,可假定器件能夠處理脈沖電流是額定直流的兩倍比較合理。如果這是按照保險絲電流來定額,
脈沖電流幅值與脈沖持續時間有關;事實上,電流限制是限制局部電流過大。短路時不超過 2 倍直流電流最安全。大電流 BJT 功率管(不包括達林頓)的β一般較低,BJT 的β與電流、老化、溫度以及電壓定額等參數有關。一般取最小β=5~10。不要忘了集電極漏電流,每 10℃增加 1 倍。這將引起截止損耗。為降低晶體管的導通損耗,一般功率管導通時為過飽和狀態。但這樣增大了存儲時間,降低開關了速度。為了減少存儲時間,晶體管在關斷時一般給 B-E 極之間加反向電壓,抽出基區過剩的載流子。如果施加的反壓太大,B-E 結將發生反向齊納擊穿。一般硅功率晶體管 B-E 反向擊穿電壓為5~6V。為避免擊穿電流過大,需用一個電阻限制擊穿電流。
為了快速關斷晶體管,采用抗飽和電路,如圖 3.5。電路中集電極飽和電壓Uce=UDb+Ube-UDc。如果UDb=Ube=UDc=0.7V,則Uce=0.7V,使得過大的驅動電流流經集電極,降低晶體管的飽和深度,存儲時間減少,關斷加快。如果允許晶體管飽和壓降大,飽和深度降低,二極管Db可以用兩個二極管串聯,則晶體管飽和壓降大約為 1.4V準飽和狀態,很小的存儲時間,關斷時間縮短,但導通損耗加大。
圖 3.5 抗飽和電路加速
關斷雙 極 型功 率管 電 壓電 流定 額 越大 ,開 關 速度 越慢 。 例如 采用 抗 飽和 等加 速 開關 措施后,U(BR)CEO=450V,50A開關管可以工作在 50kHz,損耗可以接受。
233.4.2 MOSFET 晶體管
場效應晶體管有結型和 MOS(Metal Oxide Semiconductor)型。功率場效應管一般是 MOSFET。而MOSFET 還有 P 溝道和 N 溝道。較大功率一般不用 P 溝道,因為與 N 溝道相同電流和電壓定額的管子導通電阻比 N 溝道大,同時開關速度也比 N 溝道慢。MOSFET 內部結構源極和漏極對稱的,且可以互換的。只要在柵極和源極(漏極)之間加一定正電壓(N 溝道),就能導通。因此 MOSFET 也常用于同步整流,它能雙向導通電流。
損耗
損耗有三個部分:導通損耗,柵極損耗和開關損耗。
導通損耗 MOSFET完全導通時,漏-源之間有一個電阻Ron上的損耗。應當注意手冊上導通電阻測試條件,測試時一般柵極驅動電壓為 15V。如果你的驅動電壓小于測試值,導通電阻應比手冊大,而 且 導 通 損 耗 P=RonI2 也 加 大 。 同 時 你 還 應 當 知 道 導 通 電 阻 隨 溫 度 上 升 而 增 加 , 典 型 為,T-結溫。所以如果你要知道實際結溫,根據熱阻乘以損耗求得結溫,再根據新的熱態電阻求得損耗,如此反復迭代,直到收斂為止。
如果不收斂,損耗功率太大。25R(T ) = R25 ×1.007T −柵極損耗為驅動柵極電荷損耗。即柵極電容的充放電損耗,它不是損耗MOSFET上,而是柵極電阻或驅動電路上。
雖然電容與柵極電壓是高度非線性關系,手冊中給出了柵極達到一定電壓Ug的電荷Qg,因此將此電荷驅動柵極的功率為P=QgVf。請注意這里沒有系數 0.5。
要是實際驅動電壓和手冊對應的電荷規定電壓不同,可以這樣近似處理,用兩個電壓比乘以柵極電荷比較合理。要是你的柵極電壓比手冊規定高的話,這樣做最好。但密勒電容電荷是造成計算誤差的主要因素。開關損耗 隨著MOSFET的交替導通與截止(非諧振),瞬態電壓和電流的交越導致功率損耗,稱為開關損耗。
開關電路中帶有電感,電流或電壓一般總是同時達到最大時轉換,如果電流或電壓隨時間線性變化,由此可以推導出開關損耗:在斷續導通模式中,損耗P=IpkUpktsfs/2;而在連續模式中,此損耗加倍。這里Upk為MOSFET由導通到截止時漏-源電壓(和截止到導通的連續模式);Ipk為漏極峰值電流;ts為開關過渡時間;fs為開關頻率。
這就是為什么柵極驅動越“硬”損耗越低。從損耗的角度希望驅動越硬越好,也就是要求驅動波形的前后沿陡。但因為MOSFET的輸入是一個電容,驅動波形越陡,即開關時dUg/dt越大,就意味著必須要求驅動電路提供很大的驅動電流,驅動信號源內阻越小越好。
但是開關速度越快,柵極電路微小寄生參數就會興風作浪,而EMI問題越突出。總之,MOSFET 的總損耗是通態、柵極電荷和開關損耗之和。而總損耗中僅僅是第一和第三項是損耗在 MOSFET 上的。用這個方法計算損耗,就可以用封裝的熱阻計MOSFET 是不是過熱還是涼的,要是不對,那你肯定算錯了。從降低開關損耗的觀點要求驅動波形前后沿越陡越好,驅動源是理想電壓源。
但是,除了帶有驅動電路的功率模塊以外,柵極驅動電路不可能與柵極連線最短,連線電感是不可避免的。線路電感與輸入電容在驅動電壓激勵下引起嚴重的振蕩,使驅動無法正常工作。
為此,一般總在MOSFET柵極串聯一個電阻,對振蕩阻尼在可接受范圍內。但是,電阻的加入破壞了驅動的電源壓特性,限制了驅動電流,降低了前后沿陡度,驅動波形前沿出現明顯指數上升特性,并在驅動達到MOSFET開啟電壓UT時,由于漏-柵電容放電的密勒效應造成柵極電壓“打折”(圖 3.6),加大導通損耗。
在關斷時,密勒電容的放電效應,使得關斷延緩或誤導通,增加了關斷損耗。因此,柵極電阻不能太大,只要抑制振蕩就行。從根本上應當盡量縮短柵極與驅動連接距離。
圖 3.6 非理想電壓驅動源柵極電壓波
形但如果兩個 MOSFET 并聯,可能你仍用一個電阻,或許用它原來的一半。不,這樣不行,即使有另外限流措施,如磁珠串聯,仍必須每個柵極一個電阻。
原因是兩個 MOSFET 有各自的柵極電荷和引線電感,形成一個欠阻尼振蕩網絡,而觀察到并聯的 MOSFET 有 100MHz 振蕩!如果用一個數字示波器,并不注意此振蕩,你可能看不到它們,但它們引起損耗,當然也引起 EMI。柵極電阻主要是用來阻尼柵極振蕩。為了避免振蕩,在柵極-源極之間并聯一個 20V 穩壓二極管,有人用 40V 驅動柵極,使柵極電容充電更快地通過開啟電壓。
當達到 20V 時,箝位二極管擊穿保護柵極電壓不要超過它的最大值,這樣消耗了更大功率。正確的方法是用低輸出阻抗的源驅動柵極。要是功率 MOSFET 導通時間 10ns 的驅動最好。
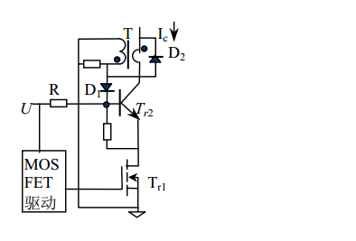
24功率 MOSFET 可以工作范圍很廣,低電壓下幾十瓦達 1MHz 以上;數千瓦可達數百 kHz。低電壓器件導通電阻很小,隨電壓定額提高,導通電阻隨電壓增加指數增加。利用這一特性低電壓用于同步整流,也可將低電壓 MOSFET 串聯在 BJT 發射極,利用 MOSFET 的開關速度,利用 BJT 的電壓定額。圖 3.6 是這種組合的實用的例子。
圖 3.6 中U為MOSFET和BJT驅動電源。T為BJT的比例驅動電流互感器。PWM信號驅動MOSFET(Tr1)。當MOSFET導通時,導通壓降很小,將BJT的發射極接地,驅動電源U通過限流電阻R迫使BJT初始導通,一旦BJT開始導通,設置在BJT集電極的電流互感器T在初級流過電流Ic,在次級正比感應電流經D1注入到BJT基極。
一般互感器變比 1/n《(1/β),例如n=1:10,而BJT的最小β=15。這樣互感器注入到BJT的電流產生更大的集電極電流,從而更大的基極電流注入,如此正反饋直至BJT飽和導通。
完成導通過程。如果先將 MOSFET 關斷,首先 BJT 的發射極電位提高造成 BE 結反偏,集電極電流減少,互感器初級電流減少,基極電流減少,一旦進入 BJT 放大區迅速正反饋關斷
圖 3.6 MOSFET 與 BJT 組合
大電流低壓MOSFET導通電阻非常小,開關速度快;而BJT關斷時,承受電壓是U(BR)CER。例如,有一個通信電源雙路雙端正激中采用這種結構。輸入電壓 550V,峰值電流 23A電路中應用了 60A/50V的MOSFET和 70A/700V(U(BR)CER)的BJT功率管。開關頻率達 50kHz。高壓 MOSFET 也可與 IGBT 或 BJT 并聯,驅動 MOSFET 先開通后關斷。因為 MOSFET 承擔了開關過渡時間,BJT 或 IGBT 零電壓開通與關斷;導通時,高壓 MOSFET 比 IGBT 或 BJT 具有更高的壓降,負載電流大部分流經 IGBT 或 BJT,只有很少部分通過 MOSFET,減少了導通損耗。盡管如此,BJT 或 IGBT 的開關時間仍是限制提高頻率的主要因素。
3.4.3 IGBT
IGBT 結構相似于 MOSFET 與 BJT 符合管。具有 MOSFET 的絕緣柵極輸入特性-電壓驅動和相似BJT 的導通壓降。但是由于 BJT 的基極未引出,導通剩余載流子復合時間長,關斷時間長-嚴重拖尾現象;輸出管是 PNP 結構,導通壓降一般比 NPN 結構高。器件電壓定額一般 500V 以上,電流從數十安到數千安。最適宜變頻調速和高功率變換。電壓電流越大,可工作的頻率就越低
壹芯微科技專注于“二,三極管、MOS(場效應管)、橋堆”研發、生產與銷售,21年行業經驗,擁有先進全自動化雙軌封裝生產線、高速檢測設備等,研發技術、芯片源自臺灣,專業生產流程管理及工程團隊,保障所生產每一批物料質量穩定和更長久的使用壽命,實現高度自動化生產,大幅降低人工成本,促進更好的性價比優勢!選擇壹芯微,還可為客戶提供參數選型替代,送樣測試,技術支持,售后服務等,如需了解更多詳情或最新報價,歡迎咨詢官網在線客服!
手機號/微信:13534146615
QQ:2881579535
工廠地址:安徽省六安市金寨產業園區
深圳辦事處地址:深圳市福田區寶華大廈A1428
中山辦事處地址:中山市古鎮長安燈飾配件城C棟11卡
杭州辦事處:杭州市西湖區文三西路118號杭州電子商務大廈6層B座
電話:13534146615
企業QQ:2881579535

深圳市壹芯微科技有限公司 版權所有 | 備案號:粵ICP備2020121154號