來源:壹芯微 發布日期
2023-03-04 瀏覽:-開關電源是開關穩壓線性電源的簡稱,以前的電源產品是采用線性電源,這是一種晶體管線性穩壓電源,由于效率低下等原因已逐漸被開關電源取代。開關電源,顧名思義就是通過控制開關管的導通時間以及關斷時間來維持輸出電壓的穩定的電源,已逐漸向小型化、效率化、模塊化、高可靠性等方向發展。對于開關電源,輸入保護電路很重要,開關輸入保護電路具有過流保護、過壓保護以及浪涌抑制等功能,對于電網的電壓沖擊以及EMC等具有至關重要的作用。下面列舉6種開關電源輸入保護電路
一、保險絲形式
保險絲有普通型的也有快速型的,具有熔點低、熔斷速度快特點,但是在熔斷時候會產生火花、冒煙,甚至有玻璃管的會爆裂,因此安全性較差。僅有保險絲的輸入保護電路,只有過流保護作用,一般選擇保險絲時候實際的熔斷電流要等于額定電流的1.5倍左右。
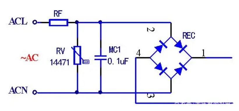
二、保險絲、壓敏電阻形式
這種電路多了壓敏電阻,壓敏電阻規格有07471、10471、14471等規格,具有浪涌抑制功能,因此這種電路有過壓、過流保護功能,有些還具有防雷擊保護
三、熔斷電阻器、壓敏電阻形式
熔斷電阻器與保險絲作用相同,都是起到過流保護,但是與保險絲不同的是熔斷電阻器熔斷時候不會產生火花以及煙霧,就安全性來說安全高一點;而壓敏電阻具有浪涌電壓吸收作用,因此這種電路形式具有過壓、過流保護功能
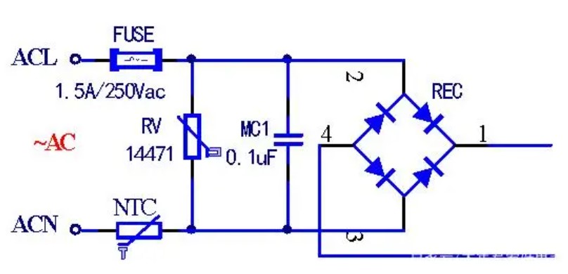
四、保險絲、NTC熱敏電阻形式
熱敏電阻采用的是負溫度系數的,它的阻值隨溫度的升高為降低,它具有抑制電路的浪涌電流能力
五、壓敏電阻、NTC熱敏電阻形式
六、保險絲、壓敏電阻、NTC熱敏電阻形式
壹芯微科技專注于“二,三極管、MOS(場效應管)、橋堆”研發、生產與銷售,20年行業經驗,擁有先進全自動化雙軌封裝生產線、高速檢測設備等,研發技術、芯片源自臺灣,專業生產流程管理及工程團隊,保障所生產每一批物料質量穩定和更長久的使用壽命,實現高度自動化生產,大幅降低人工成本,促進更好的性價比優勢!選擇壹芯微,還可為客戶提供參數選型替代,送樣測試,技術支持,售后服務等,如需了解更多詳情或最新報價,歡迎咨詢官網在線客服!
手機號/微信:13534146615
QQ:2881579535
工廠地址:安徽省六安市金寨產業園區
深圳辦事處地址:深圳市福田區寶華大廈A1428
中山辦事處地址:中山市古鎮長安燈飾配件城C棟11卡
杭州辦事處:杭州市西湖區文三西路118號杭州電子商務大廈6層B座
電話:13534146615
企業QQ:2881579535

深圳市壹芯微科技有限公司 版權所有 | 備案號:粵ICP備2020121154號