來源:壹芯微 發布日期
2023-03-14 瀏覽:-電路圖
電路圖是指用電路元件符號表示電路連接的圖。電路圖是人們為研究、工程規劃的需要,用物理電學標準化的符號繪制的一種表示各元器件組成及器件關系的原理布局圖。由電路圖可以得知組件間的工作原理,為分析性能、安裝電子、電器產品提供規劃方案。在設計電路中,工程師可從容在紙上或電腦上進行,確認完善后再進行實際安裝。通過調試改進、修復錯誤、直至成功。采用電路仿真軟件進行電路輔助設計、虛擬的電路實驗,可提高工程師工作效率、節約學習時間,使實物圖更直觀。
1、根據由大到小,由粗到細的順序識讀各種電路圖
一般的電路圖主要有整機或系統方框圖、板塊或系統電路原理圖、印刷電路板圖和板塊連線圖等類型。這些電路圖各有各的用途和特點,但又有內在聯系。在識讀這些電路圖時,可以按照由大到小、由粗到細的順序來識讀。這個順序符合人們認識事物的一般規律,實踐證明是行之有效的辦法,可使初學者少走許多彎路。
2、根據基本電路程式可以識讀電路方框圖(系統、板塊或整機)
整機電路圖有幾種類型,其中組成方框圖是其它類型電路圖的基礎,也是識讀電路圖的基礎。方框圖又有整機簡化方框圖、整機詳細方框圖、板塊組成方框圖及系統方框圖等類型。有時,讀者手邊資料不全,可能沒有上述各種方框圖,或者方框圖類型不全,為了正確、深入地讀圖,讀者應當畫出參考性組成方框圖。
根據基本電路程式,可畫出電路方框圖。根據整機電路原理圖的電路程式可畫出整機組成方框圖,根據板塊電路圖的電路程式可畫出板塊系統組成方框圖,根據系統電路圖的電路程式可畫出系統方框圖。電路組成方框圖不反映電路的具體結構,主要是反映電路的功能,反映信號的變換過程,反映各級電路或各系統電路之間的聯系,反映各種信號的來龍去脈。實際上,看電路圖的重要任務之一,就是研究分析傳輸信號的內容、種類、波形及它們的變換規律。繪制方框圖的過程是認識電路的實踐過程,是分析研究電路的一個實踐階段,可為深入識讀實用電路圖奠定思想和物質基礎。所畫方框圖可反映讀者識讀結果和水平。
3、根據整機信號變換原理來剖析實用電路原理圖(系統、板塊及整機)
在識讀方框圖基礎上,還必須進一步識讀具體的實用電路原理圖。欲真正理解電路原理圖,必須結合整機的基本原理來進行識讀,也就是說,要分析通過什么具體電路來完成信號處理過程,為什么使用該電路完成此功能,而不是使用其它別的電路。
根據電路功能的粗細、大小,可將實用電路圖分為單元電路圖、系統電路圖、板塊電路圖及整機電路圖等。由于集成化水平日益提高,大量的單元電路已進入集成芯片內,因而目前剖析實用電路圖主要是剖析系統電路圖和板塊電路圖。實際上,識讀系統電路和板塊電路主要是識讀集成電路,即識讀集成塊的類型功能、信號處理過程以及引出腳的功能,還要識讀各集電電路之間的聯系、集成電路與外圍電路或元件的聯系等。
看電路圖的方法與步驟舉例說明
1、判斷信號處理流程方向
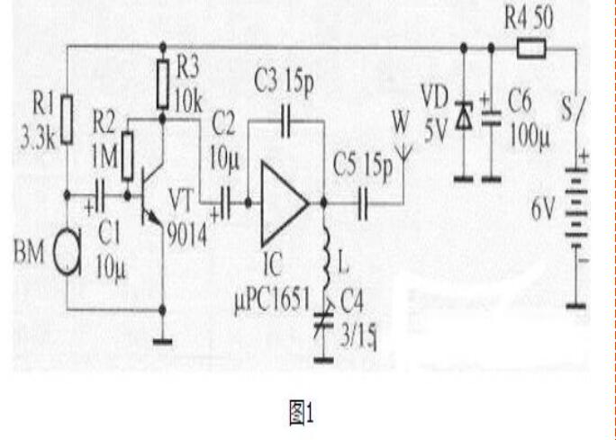
根據電路圖的整體功能,找出整個電路圓的總輸入端和總輸出端,即可判斷出電路圖的信號處理流程方向。無線話筒的功能是將話音信號調制到高頻信號上發射出去,圖1電路圖中,話筒BM為總輸入端,天線W為總輸出端。從總輸入端到總輸出端即為信號處理流程方向,圖1為從左到右的方向依次排列。
2、劃分單元電路
一般來講,晶體管、集成電路等是各單元電路的核心元器件。因此,我們可以以晶體管或集成電路等主要元器件為標志,按照信號處理流程方向將電路圖分解為若干個單元電路,并據此畫出電路原理方框圖。方框圖有助于我們掌握和分析電路圖。
3、分析直流供電電路
電路圖中通常將電源安排在右側,直流供電電路按照從右到左的方向排列。圖1中,整機電路的直流工作電源是6伏電池,R4、C6和穩壓二極管VD構成穩壓電路,以提高電路工作的穩定性。S為電源開關。
壹芯微科技專注于“二,三極管、MOS(場效應管)、橋堆”研發、生產與銷售,20年行業經驗,擁有先進全自動化雙軌封裝生產線、高速檢測設備等,研發技術、芯片源自臺灣,專業生產流程管理及工程團隊,保障所生產每一批物料質量穩定和更長久的使用壽命,實現高度自動化生產,大幅降低人工成本,促進更好的性價比優勢!選擇壹芯微,還可為客戶提供參數選型替代,送樣測試,技術支持,售后服務等,如需了解更多詳情或最新報價,歡迎咨詢官網在線客服!
手機號/微信:13534146615
QQ:2881579535
工廠地址:安徽省六安市金寨產業園區
深圳辦事處地址:深圳市福田區寶華大廈A1428
中山辦事處地址:中山市古鎮長安燈飾配件城C棟11卡
杭州辦事處:杭州市西湖區文三西路118號杭州電子商務大廈6層B座
電話:13534146615
企業QQ:2881579535

深圳市壹芯微科技有限公司 版權所有 | 備案號:粵ICP備2020121154號