來源:壹芯微 發布日期
2023-09-20 瀏覽:-幾種不同應用場合的直流15V降壓至9V電路介紹
如何將直流15V降為9V呢?其實直流降壓的方式有很多種,不同的降壓方式其應用場合不同。一般根據實際應用場合選擇最優方案。
1、采用電阻直接分壓的方式得到!比如2k和3k的電阻串聯分壓就可以得到9V的電壓。這種方式一般用于負載電流非常小的場合,比如運放或者比較器輸入等,負載電流一般比電阻分壓電流小一個數量級以上。
2、串聯電阻進行降壓,比如負載電流為I,那么根據△U=IR,可得限流電阻的阻值為R=△U/I,若負載電流為1A,那么限流電阻R=(15V-9V)/1A=6Ω,同理,所負載電流只有10mA,那么限流電阻R=(15V-9V)/0.01A=600Ω。這種方式用于負載電流比較穩定,而且負載對電壓波動要求不高的場合,比如9V的LED燈。
3、使用9V的穩壓二極管進行穩壓得到9V電壓,具體電路如下圖所示,DZ為9V穩壓二極管,R為限流電阻,RL為實際負載,根據負載電流選擇合適的穩壓二極管,以及計算限流電阻R的大小。這種方式一般用于負載電流較小的場合。
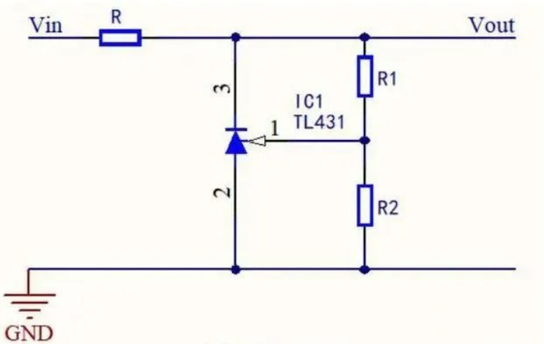
4、使用可調基準源得到9V電壓,比如TL431可調基準源芯片,具體電路圖如下所示,Vin=15V,公式為:Vout=2.5(1+R1/R2),調節R1和R2的阻值即可,比如要求輸出為9V,則2.5(1+R1/R2)=9,可得R1/R2=3.6,可選擇R1=36K,R2=10k。這種方式運用于高精度基準場合,比如比較器基準輸入。
5、使用三端穩壓器7809可得到9V電壓,這種方式運用于負載電流小于1.5A的場合,電路如下圖所示,輸入為15V,輸出直接可以得到9V電壓,這是線性電源芯片的方式,效率一般比較低,特別是電流較大、壓降較大的場合。
6、還可以使用開關電源芯片的方式得到9V電壓,開關電源的效率可達90%以上。如下圖TPS5430/31電路,其輸出電壓公式為:VOUT=1.221R1/R2+1.221。最高輸入電壓36V,最低輸入電壓5.5V,輸出電壓根據電阻R1和R2的阻值可調。
壹芯微科技專注于“二,三極管、MOS(場效應管)、橋堆”研發、生產與銷售,21年行業經驗,擁有先進全自動化雙軌封裝生產線、高速檢測設備等,研發技術、芯片源自臺灣,專業生產流程管理及工程團隊,保障所生產每一批物料質量穩定和更長久的使用壽命,實現高度自動化生產,大幅降低人工成本,促進更好的性價比優勢!選擇壹芯微,還可為客戶提供參數選型替代,送樣測試,技術支持,售后服務等,如需了解更多詳情或最新報價,歡迎咨詢官網在線客服!
手機號/微信:13534146615
QQ:2881579535
工廠地址:安徽省六安市金寨產業園區
深圳辦事處地址:深圳市福田區寶華大廈A1428
中山辦事處地址:中山市古鎮長安燈飾配件城C棟11卡
杭州辦事處:杭州市西湖區文三西路118號杭州電子商務大廈6層B座
電話:13534146615
企業QQ:2881579535

深圳市壹芯微科技有限公司 版權所有 | 備案號:粵ICP備2020121154號