來源:壹芯微 發布日期
2022-04-13 瀏覽:-基于TL431的線性精密穩壓電源設計|壹芯微
針對恒壓供電傳感器、變送器的需要,針對溫度漂移小,輸入寬電壓及大電流負載的問題,根據常用單端穩壓芯片TL431內部結構、工作原理和主要特點,本文提出了一種TL431的線性精密穩壓電源的設計方案,下面將介紹該方案的設計過程與結果。
1.引言
TL431是一個有良好熱穩定性能的三端可調精密電壓基準集成芯片,具有體積小、價格低廉、性能優良等特點:它的輸出電壓用兩個電阻就可以任意地設置到從參考電壓(2.5V)到36V范圍內的任何值,典型動態阻抗僅為0.2Ω,電壓參考誤差為±0.4%,負載電流能力從1.0mA到100mA,溫度漂移低,輸出噪聲電壓低等。基于以上特點,不僅可以用于恒流源電路、電壓比較器電路、電壓監視器電路、過壓保護電路等電路中、還廣泛應用于線性穩壓電源、開關穩壓電源等直流穩壓電源電路中。
2.TL431概述
2.1TL431的符號
該器件的符號如圖1,三個引腳分別為:陰極(CATHODE)、陽極(ANODE)和參考端(REF),參考電壓為2.5V。

TL431符號
2.2TL431的內部電路圖
由內部電路圖圖2可以看出,它由多極放大電路、偏置電路、補償和保護電路組成,其中晶體管V1構成輸入極,V3、V4、V5構成穩壓基準,V7和V8組成的鏡像恒流源與V6、V9構成差分放大器作中間級,V10、V11形成復合管,構成輸出,其它一些電阻、電容、二級管分別起偏置、補償和保護作用,在原理上它是一個單端輸入、單端輸出直流放大器。

TL431的內部電路圖
然而其等效功能示意圖如圖3所示,由一個2.5V的精密基準電壓源、一個電壓比較器和一輸出開關管等組成,參考端的輸出電壓與精密基準電壓源Vref相比較,當參考端電壓超過2.5V時,TL431立即導通。因為R端控制電壓誤差為±1%,所以參考端能精確地控制TL431的導通與截止。

TL431等效功能示意圖
3.并聯穩壓電路設計
3.1基本并聯穩壓電路原理
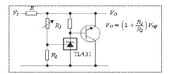
TL431內部含有一個2.5V的基準電壓,所以當在Vref端引入輸出反饋時,器件可以通過從陰極到陽極很寬范圍的分流,控制輸出電壓。如圖4所示的電路,當R1和R2的阻值確定時,兩者對VO的分壓引入反饋,若增大,反饋量增大,TL431的分流也就增加,從而又導致VO下降。顯見,這個深度的負反饋電路必然在等于基準電壓處穩定,此時VO=(1+R1/R2)Vref.選擇不同的R1和R2的值可以得到從2.5V到36V范圍內的任意電壓輸出,特別地,當R1=R2時,VO=5V.若使R1短路,R2開路,即把參考端與陰極端短接,此時則有輸出電壓VO=2.5V(參考端電壓),最適合用于數字電壓表和模數轉換器或其它電路中作基準電壓源。

基本并聯穩壓電路
需要注意的是,和在選擇電阻R時必須保證TL431工作的必要條件,就是通過陰極的電流要大于1mA,R1和R2要選擇精度為1%的同類電阻,才能保證基準電源的長期穩定性。
3.2并聯擴流穩壓電路
在多種應用電路中,實際上是將圖5為在圖4的基礎上將電路稍加改進,采用三極管擴流,組成大電流基準電壓源,且圖5中的晶體管可根據負載電流的大小選用不同功率的晶體管,這時限流電阻R也要相應增加其功率。

TL431并聯擴流穩壓電路
并聯穩壓電路適用于各種傳感器、變送器、和儀表各種A/D轉換器中,圖6就是在電偶變送器中的應用。

TL431基準穩壓電路在電偶電路中的應用
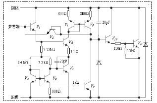
4.串聯擴流穩壓電路
TL431除了可使用在并聯穩壓電路中,圖4和圖5中的限流電阻R的功耗就要隨著輸入電壓的不同而功率發生變化,需用功率大的限流電阻,否則就會因電流過大而損壞。

TL431高精度大電流串聯穩壓電路
采用串聯行的接法,如圖7,解決了上述問題。將流經限流電阻R電流的分流一部分,用兩個NPN的三極管V1和V2,通過NPN+NPN的同極性接法夠成NPN型達林頓管,放大倍數是V1和V2的放大倍數的乘積。這樣集電極不僅分流了圖5電阻R承受的大部分電流,解決了所需大功率電阻的問題,而且因達林頓管的電流放大能力增強,使TL431帶載能力增強,不用大功率三極管就可接大電流負載。
實際應用中,為差動變壓器式位移傳感器LVDT穩壓電源時,當負載電流為50mA時,流經R的電流僅為1mA,流過達林頓集電極的電路為49mA,電阻R采用小功率表貼電阻就能滿足需要,實現恒壓功能。而且在寬電源輸入下,輸出變化量小。如表1,測試條件為R1=2.5KΩ,R2=3.5KΩ,R=3KΩ,負載電流50mA,TL431選用SOT-89封裝,型號為TL431QPK,寬電壓供電的情況下僅變化1mV。如果在并聯電路中使用,替代圖5中所示電路,效果更好。
輸出電壓Vo隨輸入電壓V1變化表
圖6所示電路具有良好的熱穩定性。由于TL431的溫度漂移低,0℃~40℃為6mV,-40℃~85℃和-40℃~125℃為14mV,所以輸出電壓的溫度特性要比普通恒壓源好的多,如果R1和R2選用溫度漂移系數低的電阻,恒壓電路的整體溫度漂移也很小,在應用中無需附加溫度補償電路。實際應用中,R1=2.5KΩ,R2=3.5KΩ,從型號TL431QPK,SOT-89封裝50個芯片中隨機抽取3支,用圖6所示電路作為差動變壓器式位移傳感器的穩壓電路,溫區范圍-40℃~125℃,溫漂測量如表2所示,僅有幾個到十幾毫伏,均符合所給指標。

可見串聯電路提高了穩定精度,降低了TL431的功耗,減少了TL431因過熱而損壞的機率,上述電路不但可以作為工業級的傳感器穩壓基準,而且可以為寬溫區低溫漂的軍品級的產品精密穩壓電源基準,是一款實用的精密線性穩壓電路。
結語
本文總結了基于TL431的線性精密穩壓電源的設計過程,后經過大量實驗和長期應用證明了本方案所設計的基于TL431的可調式精密穩壓電源實現了大功率、寬電壓、低溫漂的功能,性價比高具有很強的使用性能。
壹芯微科技專業生產“二極管、三極管、場效應管、橋堆”,20年豐富生產經驗,專業生產管理團隊對品質流程嚴格管控,超過4800家電路電氣生產企業選用合作,價格低于同行(20%),更具性價比,提供技術支持,售后FEA,如需了解更多產品詳情,最新報價與樣品申請等,歡迎咨詢官網在線客服!
手機號/微信:13534146615
QQ:2881579535
工廠地址:安徽省六安市金寨產業園區
深圳辦事處地址:深圳市福田區寶華大廈A1428
中山辦事處地址:中山市古鎮長安燈飾配件城C棟11卡
杭州辦事處:杭州市西湖區文三西路118號杭州電子商務大廈6層B座
電話:13534146615
企業QQ:2881579535

深圳市壹芯微科技有限公司 版權所有 | 備案號:粵ICP備2020121154號