來源:壹芯微 發布日期
2022-04-18 瀏覽:-基于四運算放大器LM324設計的信號發生器|壹芯微
文中詳細介紹了基于帶有差動輸入的四運算放大器LM324為關鍵元器件設計的信號發生器。該設計方案是根據RC橋式正弦波振蕩電路造成正弦波,正弦波頻率可根據調節電阻器及電容器保持輸出數據信號頻率在150Hz~30kHz中間的轉換,再根據電壓跟隨器輸出正弦波,正弦波根據零比較器整形為方波,方波經過積分與運算電源電路整形為三角波。輸出的方波三角波頻率與正弦波頻率同樣。這樣設計出來的低頻信號發生器構造簡易、實現方便、性價比高,信號的頻率與幅度均可以調節,波形穩定,諧波失真小,可滿足基本模擬電路試驗的規定。
1.信號發生器簡介
信號發生器是一種能提供各種頻率、波形和輸出電平電信號的設備。在測量各種電信系統或電信設備的振幅特性、頻率特性、傳輸特性及其它電參數時,以及測量元器件的特性與參數時,用作測試的信號源或激勵源。按照信號波形可分為正弦信號、函數信號、脈沖信號和隨機信號發生器等四大類。電路的搭建可以采用由運算放大器及分離元件,或是單片集成函數發生器構成。信號發生器又稱信號源或振蕩器,在生產實踐和科技領域中有著廣泛的應用。

圖1信號發生器
2.LM324運算放大器
LM324集成芯片由四組運算放大器構成,其優點相較于標準運算放大器而言,電源電壓工作范圍更寬,靜態功耗更小,因此在生活中有著極為廣泛的應用。LM324的四組運算放大器完全相同,除了共用工作電源外,四組器件完全獨立。以其中一組運算放大器為例分析,其內部電路共由兩級電路構成,其耦合方式為電容耦合,這使得兩級電路的直流工作狀態相互獨立,互不影響。其采用14腳雙列直插塑料封裝(DIP14),外型如圖2所示:

圖2LM324外型圖
它的內部包含四組形式完全相同的運算放大器,除電源共用外,四組運放相互獨立。每一組運算放大器可用圖3所示的符號來表示:
LM324內部的運放單元在電路中的符號
圖3LM324內部的運放單元在電路中的符號
它由5個引出腳,其中“+”、“-”為兩個信號輸入端,“V+”、“V-”為正、負電源端,“Vo”為輸出端。兩個信號輸入端中,Vi-(-)為反相輸入端,表示運放輸出端Vo的信號與該輸入端的相位相反;Vi+(+)為同相輸入端,表示運放輸出端Vo的信號與該輸入端的相位相同。

圖4LM324引腳排列圖
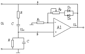
信號發生器是LM324運算放大器的典型應用,所以采用帶有差動輸入的四運算放大器LM324為核心器件,通過RC橋式振蕩電路產生正弦波,然后通過過零比較器產生方波,再經過積分電路產生三角波就可以設計出信號發生器電路。其基本結構如圖5所示。

圖5信號發生器基本結構
3.電路原理分析
3.1RC振蕩電路
采用RC選頻網絡構成的振蕩電路稱為RC振蕩電路,它適用于低頻振蕩,一般用于產生1Hz~1MHz的低頻信號。因為對于RC振蕩電路來說,增大電阻R即可降低振蕩頻率,而增大電阻是無需增加成本的,故RC振蕩電路在科學研究、實驗教學、工程實踐中都有廣泛應用。
常用的RC振蕩電路有相移式和橋式兩種。其中RC移相式振蕩器具有電路簡單、經濟方便等優點,但選頻作用較差,振幅不夠穩定,頻率調節不便,因此一般用于頻率固定、穩定性要求不高的場合。
而RC橋式振蕩器是將RC串并聯選頻網絡和放大器結合起來構成的RC振蕩電路,其中放大器件可采用集成運算放大器,其原理圖如圖6所示。

圖6RC橋式振蕩器原理圖
RC串并聯選頻網絡接在運算放大器的輸出端和同相輸入端之間,構成正反饋,Rf、R1接在運算放大器的輸出端和反相輸入端之間,構成負反饋。正反饋電路和負反饋電路構成一文氏電橋電路,運算放大器的輸入端和輸出端分別跨接在電橋的對角線上,所以,把這種振蕩電路稱為RC橋式振蕩電路。
在電路中,振蕩信號由同相端輸入,故構成同相放大器,輸出電壓Uo與輸入電壓Ui同相,其閉環電壓放大倍數等于

而RC串并聯選頻網絡在00.png時,反饋系數01.png。所以,只要

即02.png,振蕩電路就能滿足自激振蕩的振幅和相位起振條件,產生自激振蕩,振蕩頻率為:

采用雙聯可調電位器或雙聯可調電容器即可方便地調節振蕩頻率。在常用的RC振蕩電路中,一般采用切換高穩定度的電容來進行頻段的轉換(頻率粗調),再采用雙聯可變電位器進行頻率的細調。且由運放構成的RC串并聯正弦波振蕩電路不是靠運放內部的晶體管進入非線性區穩幅,而是通過在外部引入負反饋來達到穩幅的目的。所以本文選用RC橋式振蕩器產生低頻正弦信號,具有波形穩定、失真度小的特點。
3.2過零比較器
過零比較器被用于檢測一個輸入值是否是零。原理是利用比較器對兩個輸入電壓進行比較。兩個輸入電壓一個是參考電壓Vr,一個是待測電壓Vu。一般Vr從正相輸入端接入,Vu從反相輸入端接入。根據比較輸入電壓的結果輸出正向或反向飽和電壓。當參考電壓已知時就可以得出待測電壓的測量結果,參考電壓為零時即為過零比較器。過零比較器原理圖及傳輸特性如圖7所示。

圖7過零比較器原理圖及傳輸特性
在本文設計的簡易信號發生器中,RC橋式振蕩電路產生的正弦波信號經過過零比較器后便可產生矩形波。
3.3積分運算電路
積分運算電路是模擬電路中應用較為廣泛的一種功能電路,其原理圖如圖8所示。

圖8積分運算電路原理圖
其中,輸入信號ui經輸入電阻R接入運放反向輸入端,電容C接在負反饋回路中。與反向比例運算電路相比,只是將其中的反饋電阻用電容來代替。因此積分運算電路也屬于反向輸入電路。
運用理想運放反向輸入時的“虛短”和“虛斷”的概念,有:
“虛短”和“虛斷”式
在iC作用下電容C兩端的電壓uC為:

由于輸出電壓即為電容兩端電壓,但電壓極性相反,可得輸出電壓與輸入電壓的關系為:

可知輸出信號與輸入信號呈積分關系,積分時間常數RC由電路元件參數決定。積分器除了可以進行數學運算外,在電子技術中常用作波形變換。若輸入信號是一矩形波,其幅值為Uim,頻率為f,則輸出信號為一三角波,其幅值為:

在本文設計的簡易信號發生器中,矩形波經過積分運算電路后即可輸出三角波。
4.電路設計
4.1正弦波發生模塊
RC橋式振蕩電路仿真電路如圖9所示。其中,電阻R3、R8、R9、R11和二極管D1、D2構成負反饋網絡和穩幅環節,調節R3可改變負反饋的反饋系數從而調整放大電路的電壓增益使之滿足引起振蕩的條件。

圖9RC橋式振蕩器仿真電路
鑒于信號頻率調節跨度較大,因此采用2組各2只容量相差10倍的電容和2只同軸電位器來調節輸出信號頻率。選用不同的電容實現振蕩頻率f0的粗調,用同軸電位器實現f0的微調。33nF電容對應200Hz~2kHz的輸出頻率,而3.3nF電容對應2kHz~20kHz的輸出頻率。
4.2矩形波發生模塊
過零比較器電路仿真電路如圖10所示。其電路相對比較簡單,將運算放大器LM324的反相輸入端接地,同相輸入端接正弦波產生電路的輸出端,便構成過零比較器,運算放大器的輸出端輸出矩形波。當輸入的正弦信號在正負半周之間變化時,輸出為幅值固定且與正弦波同相的方波信號。

圖10過零比較器電路仿真電路
4.3三角波發生模塊
積分運算電路仿真電路如圖11所示。方波信號通過R12接運算放大器的反向輸入端,輸出信號由R12、C5組成的RC電路進行積分變換產生三角波信號。同時電位器R12可以調節輸出信號的幅度。為獲得線性良好的三角波,采用電阻R14進行負反饋限幅。

圖11積分運算電路仿真電路
5.電路的仿真與調試
在Multisim中畫出上述各個模塊的電路圖,并將其連接在一起,組成簡易函數信號發生器。其總電路圖如圖12所示。其中A端紅色輸出端為正弦波,B端藍色輸出端為矩形波,C端綠色輸出端為三角波。輸出信號的頻率和幅值可以通過R2、J1和R5、J2來調節,矩形波和三角波輸出信號的頻率與正弦波相同。

圖12簡易信號發生器仿真電路圖
Multisim中的仿真結果如圖13所示,產生了三種較為標準的常見波形,并且其幅值、頻率均可通過改變電路參數來調整。

圖13仿真結果
在RC橋式振蕩器產生正弦波的過程中,當振蕩條件滿足后,振蕩器的振幅會不斷增大,直至輸出幅度受到運算放大器最大輸出電壓的限制,而此時的輸出波形可能會出現嚴重的非線性失真。為了克服非線性失真,可利用二極管或穩壓管的非線性特性,以及場效應管的可變電阻特性來達到自動穩定振蕩器的輸出振幅。在這里,采用二極管的非線性特性來達到穩幅的目的。用兩只二極管反相并聯,當振蕩器的輸出幅度在正半周時D2導通,輸出幅度在負半周時D1導通。二極管在小信號工作情況下,二極管的工作狀態將在直流工作點Q附近有較小的變動。二極管的微變電阻rD是在二極管特性曲線工作點Q附近電壓的變化量與相應的電流變化量之比。即:

它的數值隨著工作點電流的增大而減小。從而可以看,它的數值是不斷變化的。這時的rD,叫作二極管在Q點處的“動態電阻”。在運算放大器的輸出端,反相并聯兩只二極管,再并聯一只電阻R11。當輸出振幅較小時,二極管內的電流較小,二極管的等效電阻較大。而當輸出振幅逐漸增大時,二極管內的電流也隨著增大,而二極管內的電阻則逐漸減小,因此,R11兩端的等效電阻R’11則為:

R’11將隨著振幅的增大而減小,于是放大器的增益AU也將隨著振幅的增大而下降,從而就可以達到自動穩幅的目的。
由于二極管具有非線性特性,在一個振蕩周期中,穩幅二極管的正向電阻rD,是隨著輸出振幅的瞬時值不斷地變化的。從平均值來看,它滿足振蕩器的振幅條件,但是,從一個振蕩周期中的某一瞬間來看,它又不滿足振蕩器的振幅條件,所以,這種電路的輸出波形,總會有一定程度的失真。為了限制二級管的非線性所引起的輸出波形失真,在二極管兩端并一個與二極管正向電阻值相接近的電阻R11,以改善電路的輸出波形。在實際應用中,選取R11的電阻值為2.7kΩ時,達到了比較滿意的效果。
總結
信號發生器的主要用途比較普遍,能夠考慮各種各樣波型的輸出必須。以成本低的四運算放大器LM324為關鍵元器件設計方案的高頻信號發生器具備電源電路簡易、波型平穩、性價比高、方便使用等優勢,可以輸出試驗檢測常見的正弦波、方波和三角波數據信號,并且數據信號的頻率和幅度均能夠調整,該信號發生器可用以大學的實驗教學演試和業余組制做檢測,還可以做為模擬電子技術課題設計或研究性學習課題研究。
深圳壹芯微科技,20年專業生產“二極管、三極管、場效應管、橋堆”等,專業生產管理團隊對品質流程嚴格管控,超過4800家電路電器生產企業選用合作,價格低于同行(20%),更具性價比,提供選型替代,送樣測試,數據手冊,技術支持,售后FEA,如需了解更多詳情或最新報價,歡迎咨詢官網在線客服!
手機號/微信:13534146615
QQ:2881579535
工廠地址:安徽省六安市金寨產業園區
深圳辦事處地址:深圳市福田區寶華大廈A1428
中山辦事處地址:中山市古鎮長安燈飾配件城C棟11卡
杭州辦事處:杭州市西湖區文三西路118號杭州電子商務大廈6層B座
電話:13534146615
企業QQ:2881579535

深圳市壹芯微科技有限公司 版權所有 | 備案號:粵ICP備2020121154號