來源:壹芯微 發布日期
2023-03-21 瀏覽:-基于三極管做開關的電容作用介紹
1、開關三極管的基本電路圖
負載電阻被直接跨接于三極管的集電極與電源之間,而位居三極管主電流的回路上,輸入電壓Vin則控制三極管開關的開啟(open) 與閉合(closed) 動作,當三極管呈開啟狀態時,負載電流便被阻斷,反之,當三極管呈閉合狀態時,電流便可以流通。
詳細的說,當Vin為低電壓時,由于基極沒有電流,因此集電極亦無電流,致使連接于集電極端的負載亦沒有電流,而相當于開關的開啟,此時三極管乃工作于截止(cut off)區。
同理,當Vin為高電壓時,由于有基極電流流動,因此使集電極流過更大的放大電流,因此負載回路便被導通,而相當于開關的閉合,此時三極管乃工作于飽和區(saturation)。
關于晶體三極管的開關飽和區,MOS管的飽和區就是晶體管的放大區。
晶體三極管的放大是電流關系的放大,即Ic=B*Ib
而MOS管的放大倍數是Ic=B*Ugs,與g、s兩端的電壓有關系
MOS管的放大倍數比較大,穩定。




2.基極電阻的選取
(1)首先判斷三極管的工作狀態,是放大區(增大驅動電流)還是飽和區(開關作用)
(2)若工作在放大區,根據集電極負載的參數,計算出集電極的電流,之后根據三級管的放大特性計算出基極電流,再根據電流值計算出電阻。
(3)若工作在飽和區,
以NPN管為例大致計算一下典型3元件開關電路的選值:
設晶體管的直流放大系數為100,Ib=(驅動電壓-0.7Vbe結壓降)/Rb,Vce=Vcc-100Ib×Rc,令Vce=0,由此可算出臨界值(飽和區與放大區的臨界),只要Rb小于臨界值即可,但其最小值受器件Ib容限限制,切勿超過。
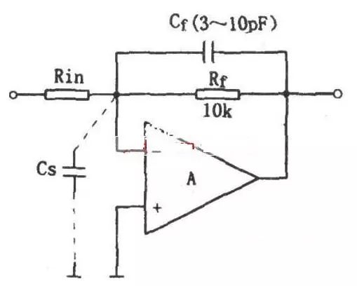
3.補償電容電路圖
一般線性工作的放大器(即引入負反饋的放大電路)的輸入寄生電容Cs會影響電路的穩定性,其補償措施見圖。放大器的輸入端一般存在約幾皮法的寄生電容Cs,其頻帶的上限頻率約為:
ωh=1/(2πRfCs)
為了保持放大電路的電壓放大倍數較高,更通用的方法是在Rf上并接一個補償電容Cf,使RinCf網絡與RfCs網絡構成相位補償。RinCf將引起輸出電壓相位超前,由于不能準確知道Cs的值,所以相位超前量與滯后量不可能得到完全補償,一般是采用可變電容Cf,用實驗和調整Cf的方法使附加相移最小。若Rf=10kΩ,Cf的典型值絲邊3~10pF。對于電壓跟隨器而言,其Cf值可以稍大一些。
3.運放電源旁路電容
旁路是把前級或電源攜帶的高頻雜波或信號濾除,去藕是為保證輸出端的穩定輸出
每個集成運放的電源引線,一般都應采用去偶旁路措施,如圖所示圖中的高頻旁路電容,通常可選用高頻性能優良的陶瓷電容,其值約為0.1μF。或采用lμF的鉭電容。這些電容的內電感值都較小。在運放的高速應用時,旁路電容C1和C2應接到集成運放的電源引腳上,引線盡量短,這樣可以形成低電感接地回路。
注:當所使用的放大器的增益帶寬乘積大于10MHz時,應采用更嚴格的高頻旁路措施,此時應選用射頻旁路電容,對于通用集成芯片,對旁路的要求不高,但也不能忽視,通常最好每4~5個器件加一套旁路電容。不論所用集成電路器件有多少,每個印刷板都要至少加一套旁路電容。
在直流電源回路中,負載的變化會引起電源噪聲。例如在數字電路中,當電路從一個狀態轉換為另一種狀態時,就會在電源線上產生一個很大的尖峰電流,形成瞬變的噪聲電壓。配置去耦電容可以抑制因負載變化而產生的噪聲,是印制電路板的可靠性設計的一種常規做法,配置原則如下:
電源輸入端跨接一個10~100uF的電解電容器,如果印制電路板的位置允許,采用100uF以上的電解電容器的抗干擾效果會更好。
為每個集成電路芯片配置一個0.01uF的陶瓷電容器。如遇到印制電路板空間小而裝不下時,可每4~10個芯片配置一個1~10uF鉭電解電容器,這種器件的高頻阻抗特別小,在500kHz~20MHz范圍內阻抗小于1Ω,而且漏電流很小(0.5uA以下)。
對于噪聲能力弱、關斷時電流變化大的器件和ROM、RAM等存儲型器件,應在芯片的電源線(Vcc)和地線(GND)間直接接入去耦電容。
去耦電容的引線不能過長,特別是高頻旁路電容不能帶引線。
在直流電源回路中,負載的變化會引起電源噪聲。例如在數字電路中,當電路從一個狀態轉換為另一種狀態時,就會在電源線上產生一個很大的尖峰電流,形成瞬變的噪聲電壓。配置去耦電容可以抑制因負載變化而產生的噪聲,是印制電路板的可靠性設計的一種常規做法,配置原則如下:
電源輸入端跨接一個10~100uF的電解電容器,如果印制電路板的位置允許,采用100uF以上的電解電容器的抗干擾效果會更好。
為每個集成電路芯片配置一個0.01uF的陶瓷電容器。如遇到印制電路板空間小而裝不下時,可每4~10個芯片配置一個1~10uF鉭電解電容器,這種器件的高頻阻抗特別小,在500kHz~20MHz范圍內阻抗小于1Ω,而且漏電流很小(0.5uA以下)。
對于噪聲能力弱、關斷時電流變化大的器件和ROM、RAM等存儲型器件,應在芯片的電源線(Vcc)和地線(GND)間直接接入去耦電容。
去耦電容的引線不能過長,特別是高頻旁路電容不能帶引線。在直流電源回路中,負載的變化會引起電源噪聲。例如在數字電路中,當電路從一個狀態轉換為另一種狀態時,就會在電源線上產生一個很大的尖峰電流,形成瞬變的噪聲電壓。配置去耦電容可以抑制因負載變化而產生的噪聲,是印制電路板的可靠性設計的一種常規做法,配置原則如下:
電源輸入端跨接一個10~100uF的電解電容器,如果印制電路板的位置允許,采用100uF以上的電解電容器的抗干擾效果會更好。
為每個集成電路芯片配置一個0.01uF的陶瓷電容器。如遇到印制電路板空間小而裝不下時,可每4~10個芯片配置一個1~10uF鉭電解電容器,這種器件的高頻阻抗特別小,在500kHz~20MHz范圍內阻抗小于1Ω,而且漏電流很小(0.5uA以下)。
對于噪聲能力弱、關斷時電流變化大的器件和ROM、RAM等存儲型器件,應在芯片的電源線(Vcc)和地線(GND)間直接接入去耦電容。
去耦電容的引線不能過長,特別是高頻旁路電容不能帶引線。
壹芯微科技專注于“二,三極管、MOS(場效應管)、橋堆”研發、生產與銷售,20年行業經驗,擁有先進全自動化雙軌封裝生產線、高速檢測設備等,研發技術、芯片源自臺灣,專業生產流程管理及工程團隊,保障所生產每一批物料質量穩定和更長久的使用壽命,實現高度自動化生產,大幅降低人工成本,促進更好的性價比優勢!選擇壹芯微,還可為客戶提供參數選型替代,送樣測試,技術支持,售后服務等,如需了解更多詳情或最新報價,歡迎咨詢官網在線客服!
手機號/微信:13534146615
QQ:2881579535
工廠地址:安徽省六安市金寨產業園區
深圳辦事處地址:深圳市福田區寶華大廈A1428
中山辦事處地址:中山市古鎮長安燈飾配件城C棟11卡
杭州辦事處:杭州市西湖區文三西路118號杭州電子商務大廈6層B座
電話:13534146615
企業QQ:2881579535

深圳市壹芯微科技有限公司 版權所有 | 備案號:粵ICP備2020121154號