來源:壹芯微 發布日期
2022-04-23 瀏覽:-基于74HC164的儀表電路設計介紹|壹芯微
74HC164是高速硅門CMOS器件,與低功耗肖特基型TTL(LSTTL)器件的引腳兼容。74HC164是8位邊沿觸發式移位寄存器,串行輸入數據,然后并行輸出。數據通過兩個輸入端(DSA或DSB)之一串行輸入;任一輸入端可以用作高電平使能端,控制另一輸入端的數據輸入。兩個輸入端或者連接在一起,或者把不用的輸入端接高電平,一定不要懸空。本文將介紹基于74HC164組成的儀表電路方案。
1.74HC164簡介
74HC164采用DIP-14、SO-14、SSOP-14和TSSOP-14封裝的引腳配置。互補MOS8位串行輸入并行輸出單向移位寄存器,邏輯符號如圖所示。電源電壓2~6V。圖中A、B為串行碼輸入端;CLR為清零輸入端;CLK為時鐘脈沖輸入端。該IC隨著時鐘脈沖上升沿的到來,A、B相與后的狀態依次由QA移向QH。

圖1 邏輯符號
特性:
門控串行數據輸入異步中央復位符合JEDEC標準no.7A靜電放電(ESD)保護:
·HBMEIA/JESD22-A114-B超過2000V·MMEIA/JESD22-A115-A超過200V。多種封裝形式額定從-40°C至+85°C和-40°C至+125°C。
2.電路設計
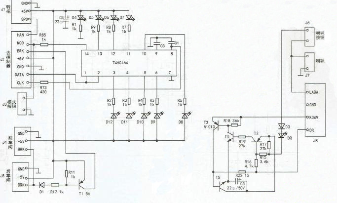
圖2是一款用串行輸入并行輸出數字集成電路組成的儀表電路。T2-T5,C5及電阻共同組成一個轉向燈閃爍振蕩電路,當排插J8中的DR(接轉向開關)斷開時,此電路不工作,轉向燈不閃爍;當DR接通時,振蕩電路開始工作,轉向燈開始閃爍。

圖2 儀表電路圖
DR是一個三位開關,一刀接左轉向燈,一刀接右轉向燈,一刀懸空,轉向曠的另一端撞地。
捏閘斷電電路由Tl、DLRll和R12組成,在電動自行車的前、后閘中都裝有一個開關型的霍爾元件,當捏閘時,霍爾元件輸出低電位,即排插J4中的BRK端接地,Tl導通,Tl的集電極上有近5V電壓,這個電壓經排插J2中的BRK端送給控制器,關斷電機的供電電路,電機停止工作,起到剎車的作用。相反,不捏閘時,霍爾元件輸出高電位,Tl截止,電機正常運轉。
由于74HC164是一個8位串行輸入并行輸出移位寄存器,它和發光二極管構成運動模式和蓄電池電量顯示電路。74HC164的輸出端@-@腳與D5-D7組成運動模式顯示電路邊〉⑥腳、⑩腳與D8-D12組成蓄電池電量顯示電路。來自控制器的顯示信號經排插J2中的DATA端送至74HC164的串行輸入端①、②腳,再經內部電路移位后,從相關的輸出端輸出驅動信號,點亮相應的發光二極管,完成對顯示電路的控制。
這個電路比較簡單,檢修起來也容易,主要是判斷74HC164的好壞。首先測+5V電壓是否正常,然后測74HC164的時鐘信號輸入端③腳電壓是否接近+5V,若低于+5V,且斷開R73后排插J2的CLK端電壓正常,則74HC164損壞;若CLK端電壓不正常,則故障在控制器中。接下來測串行輸入端①、②腳電壓在轉換運動模式時有無跳變,若沒有,貝Ij故障在控制器;若有,則為74HC164損壞。從實修情況看,74HC164多為⑩腳(電源端)內部電路損壞。另外,在購買74HC164時,可先測量⑩腳的電阻,正測時阻值應在4kD左右,反測時應為無窮大。
深圳壹芯微科技,20年專業生產“二極管、三極管、場效應管、橋堆”等,專業生產管理團隊對品質流程嚴格管控,超過4800家電路電器生產企業選用合作,價格低于同行(20%),更具性價比,提供選型替代,送樣測試,數據手冊,技術支持,售后FEA,如需了解更多詳情或最新報價,歡迎咨詢官網在線客服!
手機號/微信:13534146615
QQ:2881579535
工廠地址:安徽省六安市金寨產業園區
深圳辦事處地址:深圳市福田區寶華大廈A1428
中山辦事處地址:中山市古鎮長安燈飾配件城C棟11卡
杭州辦事處:杭州市西湖區文三西路118號杭州電子商務大廈6層B座
電話:13534146615
企業QQ:2881579535

深圳市壹芯微科技有限公司 版權所有 | 備案號:粵ICP備2020121154號