來源:壹芯微 發布日期
2022-10-12 瀏覽:-在IGBT驅動電路中有時會用到鉗位電路,其主要目的是為了保護IGBT器件,避免運行參數超過集電極或者門極的極限參數,今天我們總結一下Vce以及Vge鉗位電路設計使用注意事項。
Vce鉗位電路
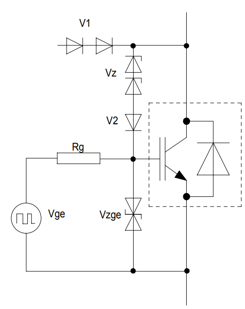
Vce鉗位電路目的是為了避免在大電流、短路、低溫等特殊工況時,Vce之間的尖峰電壓超過器件可以耐受的最大值,該電路的基本結構如下圖所示。該電路由于設計簡單而且能起到立桿見影的效果,被很多設計者采用。
圖一 有源鉗位電路示意圖
其鉗位電壓的選擇可以采用以下公式:
其中:
Vmax為電路設計中允許的Vce電壓最大值, 應考慮器件阻斷電壓以及余量
Vz為鉗位二極管的額定電壓
aT為溫漂系數,通常為0.1%,具體的數值需要查閱所選擇器件的數據手冊
Tj為器件實際的工作溫度
Tv為器件鉗位電壓值的容差,比如有5%或者10%,具體值查閱器件數據手冊
Vce peak為器件阻斷電壓
但是,對于該電路也存在兩種截然不同的觀點,一種觀點認為,由于鉗位二極管容差以及溫漂影響很大,其實際運行時開啟的電壓值變化幅度大,導致鉗位電壓值不固定,因此在實際設計中不采用;另一種觀點認為,這種電路實現比較簡單,即使二極管特性不是很穩定但是適當增加冗余或者采用多個鉗位電壓較低的二極管串聯,也可以達到減小鉗位二極管容差的目的,從而使鉗位電壓值偏差相對減小。兩種設計思路各有利弊,你會考慮哪種呢,歡迎大家發表各自的見解。詳細工作原理也可參照微信文章鏈接如何抑制IGBT集電極過壓尖峰
Vge鉗位電路
在IGBT驅動電路設計中,可以采用三種方式來控制Vge之間的電壓在器件允許的范圍內。
第一種如圖二中VDZ,GE之間采用雙向鉗位二極管;
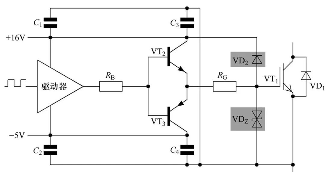
第二種將門極通過快速二極管連接到驅動電源(如圖二中VD2);
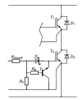
第三種是在GE之間采用三極管把門極電壓下拉到發射極(如圖三)。
圖二 Vge通過快速二極管連接到驅動電源
圖三 Vge通過米勒鉗位電路避免直通
首先看GE之間采用雙向鉗位二極管。這種電路可以有效地降低Vge電壓尖峰,以確保Vge的電壓在特定場合比如短路中,保持在設計者期望的電壓水平。但是在多年的實際應用實踐中,筆者發現雙向二極管在長時間運行后會發生單向擊穿,出現單邊失效呈現短路狀態,請大家在設計使用中特別留意。
第二種設計是在Vge電路中通過肖特基二極管連接到驅動的正電源,如上圖二的二極管VD2。這種電路其實是前面第一種電路的簡化設計,由于電路的工作特點,驅動回路中的負電壓比較穩定,可以通過電源設計解決,而正電壓在dudt發生變化時會通過米勒電容的電流抬升門極電壓,因此需要鉗位電路把門極正電壓鉗在合適的位置,比如+15V的驅動電源。在選擇二極管時考慮40V的耐壓即可,另外在封裝允許的條件下盡可能選擇平均電流稍大的器件,這樣在實際應用中壓降小更容易使電壓鉗位在接近正電源的水平,同時在布線時該二極管要靠近門極。
第三種電路又叫米勒鉗位,主要是用在門極關斷電壓是0V的情況,常用于一些小功率場合。在對管開通時,dudt的變化會抬高處于關閉狀態的另一個IGBT的門極電壓,這種情況在某些條件下會導致處于串聯的IGBT器件同時開通,從而導致短路。為了避免這個情況可以采用圖三所示的Rb+T電路,在IGBT處于關斷狀態時,Vge電壓處于低電平,比如0V,因此三極管T處于開通狀態。在布線時確保三極管放在靠近IGBT門極的位置,以確保IGBT的門極電壓水平處于下拉水平,從而為米勒電流提供了一條低阻回路,避免門極電壓水平受到米勒電流的影響而抬高電壓,導致IGBT誤導通。
小結一下
1.給出Vce有源鉗位電路二極管選型的計算參考,但是是否選用該電路取決于設計者的設計傾向以及風險評估。
2.Vge鉗位電路有以下三種:
采用雙向鉗位二極管,但是使用中會出現單邊失效問題,謹慎采用;
通過肖特基二極管連接門極+15v到電源正極,達到鉗位的作用;
在門極關斷電壓是0V時,通過三極管在門極和集電極之間設置低阻回路,避免米勒電壓引起的寄生導通。
壹芯微科技專注于“二,三極管、MOS(場效應管)、橋堆”研發、生產與銷售,20年行業經驗,擁有先進全自動化雙軌封裝生產線、高速檢測設備等,研發技術、芯片源自臺灣,專業生產流程管理及工程團隊,保障所生產每一批物料質量穩定和更長久的使用壽命,實現高度自動化生產,大幅降低人工成本,促進更好的性價比優勢!選擇壹芯微,還可為客戶提供參數選型替代,送樣測試,技術支持,售后服務等,如需了解更多詳情或最新報價,歡迎咨詢官網在線客服!
手機號/微信:13534146615
QQ:2881579535
工廠地址:安徽省六安市金寨產業園區
深圳辦事處地址:深圳市福田區寶華大廈A1428
中山辦事處地址:中山市古鎮長安燈飾配件城C棟11卡
杭州辦事處:杭州市西湖區文三西路118號杭州電子商務大廈6層B座
電話:13534146615
企業QQ:2881579535

深圳市壹芯微科技有限公司 版權所有 | 備案號:粵ICP備2020121154號