來源:壹芯微 發布日期
2023-03-15 瀏覽:-HT7823低功耗線性穩壓器引腳圖與規格書,7823三端穩壓IC中文PDF|壹芯微LDO
壹芯微專業生產HT7823,提供HT7823低功耗線性穩壓器規格書參數。HT7823三端穩壓IC的作用
HT7823低功耗線性穩壓器規格書,點擊下載查看:HT78XX系列.pdf
HT7823低功耗線性穩壓器的引腳規格參數如下:





HT7823低功耗線性穩壓器的SOT-89封裝尺寸如下:
HT7823低功耗線性穩壓器的SOT-23封裝尺寸如下:
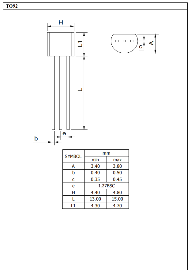
HT7823低功耗線性穩壓器的TO-92封裝尺寸如下:
壹芯微科技專注于“二,三極管、MOS(場效應管)、橋堆”研發、生產與銷售,20年行業經驗,擁有先進全自動化雙軌封裝生產線、高速檢測設備等,研發技術、芯片源自臺灣,專業生產流程管理及工程團隊,保障所生產每一批物料質量穩定和更長久的使用壽命,實現高度自動化生產,大幅降低人工成本,促進更好的性價比優勢!選擇壹芯微,還可為客戶提供參數選型替代,送樣測試,技術支持,售后服務等,如需了解更多詳情或最新報價,歡迎咨詢官網在線客服!
手機號/微信:13534146615
QQ:2881579535
工廠地址:安徽省六安市金寨產業園區
深圳辦事處地址:深圳市福田區寶華大廈A1428
中山辦事處地址:中山市古鎮長安燈飾配件城C棟11卡
杭州辦事處:杭州市西湖區文三西路118號杭州電子商務大廈6層B座
電話:13534146615
企業QQ:2881579535

深圳市壹芯微科技有限公司 版權所有 | 備案號:粵ICP備2020121154號