來源:壹芯微 發布日期
2023-05-23 瀏覽:-光耦耦合器的工作原理介紹
一、光耦合器
光耦合器是在兩個隔離電路之間傳輸電信號的電子元件,也就是說將電信號從一個電路傳輸到另一個電路。(具體的如下圖所示。)
光耦合器
光耦合器也稱為光隔離器、光耦合器或光隔離器。
通常在電路中,尤其是低電壓或高噪聲敏感電路中,光耦合器用于隔離電路以防止電氣碰撞機會或排除不需要的噪聲。
二、光耦耦合器的內部結構
光耦合器的內部結構
上圖為光耦合器的內部結構。左側的 1引腳和 2 引腳外露,是一個 LED。LED向光敏三極管發出紅外光在右側。
光電晶體管是通過其集電極和發射極來切換輸出電路,在這一點上與典型的 BJT 晶體管相同。
LED 的強度直接控制光電晶體管,因為兩個獨立的電路可以由光耦合器控制。
另外,光電晶體管和紅外 LED 之間的空間是透明的非導電材料,隔離了兩個不同的電路。LED 和光電晶體管之間的中空空間可以使用玻璃、空氣或透明塑料制成,電氣隔離要高得多,通常為10 kV或更高。
三、光耦合器工作原理
光耦合器由作為 LED 的發射器和作為光敏元件的接收器組成。
當 LED 發出光并且光照射到光電傳感器(光電二極管、光電晶體管、PhotoTriac)上時,光電傳感器開始流動電流。在這個系統中,輸入光與輸出端的電流成正比。
光耦合器工作原理
當給 LED 供電時,LED 發光,光線落在光電晶體管的基極上,光落在光電晶體管的基極上后,將被激活,并且可以控制與晶體管相連的輸出電路。
這里輸入電路只連接光耦的 LED 引腳,輸出電路連接光電晶體管,輸入和輸出電路完全電氣隔離。
光耦合器工作原理動圖
四、光耦合器的工作模式
1、飽和模式
在飽和模式下,LED 將打開或關閉,因此,輸出晶體管完全關閉或完全打開,這意味著導通或非導通模式。
此模式用于需要保護微控制器引腳免受輸出電路高壓影響的地方。例如,在使用微控制器的電機驅動中,電機需要高電流和高電壓。在此模式下,電機將完全開啟或關閉。
2、線性模式
在這種模式下,LED 會得到一個變化的信號脈沖。LED 光線通過電壓或信號樣本來改變或控制,然后光電晶體管還為輸出提供可變傳導。
用于開關模式電源 (SMPS) 或控制需要在輸出端進行錯誤檢測的不同電路。
3、光電二極管與光電晶體管光耦合器
光電二極管光電耦合器在電流和光之間的線性關系上優于光電晶體管光電耦合器。盡管光電晶體管光耦合器可以通過改變進入光電晶體管基極的 LED 光束來傳遞寬頻率的模擬音頻信號。當光束到達其基極時,晶體管的輸出會發生變化以放大。但在高頻處可能會出現一些失真。
盡管光電二極管的輸出信號幅度遠小于光電晶體管提供的輸出,但光電二極管光耦的輸入光和輸出電流關系在大多數音頻和一些數字信號中都很好。
光電二極管與光電晶體管光耦合器
五、光耦合器類型
1、光晶體管光電耦合器
基于晶體管的光耦合器用于直流電路相關的隔離。
在上圖中,內部結構顯示在光電晶體管光電耦合器內部。晶體管類型可以 PNP,也可以是 NPN。
根據輸出引腳的可用性,光電晶體管可以進一步分為兩種類型。在左邊的第二張圖片中,有一個額外的引腳輸出,在內部與晶體管的基極相連。
該引腳 6 用于控制光電晶體管的靈敏度。該引腳通常用于使用高阻值電阻與地連接或負極連接。在這種配置中,可以有效地控制由于噪聲或電氣瞬變引起的誤觸發。
此外,在使用基于光電晶體管的光耦合器之前,必須知道晶體管的最大額定值。PC816、PC817、LTV817、K847PH是少數廣泛使用的基于光電晶體管的光耦合器。
2、光達林頓晶體管光耦合器
在上圖中,有兩種類型的符號,顯示了基于光達林頓晶體管 的光耦合器的內部結構。
達林頓晶體管是兩個晶體管對,其中一個晶體管控制另一個晶體管基極。在這種配置中,達林頓晶體管提供高增益能力。像往常一樣,LED 發出紅外 LED 并控制對晶體管的基極。
這種類型的光耦也用于直流電路相關領域的隔離。第 6 個引腳在內部連接到晶體管的基極,用于控制晶體管的靈敏度。4N32、4N33、H21B1、H21B2、H21B3是少數基于光達林頓的光耦合器示例。
3、基于 光三端雙向晶閘管的光耦合器
基于 光三端雙向晶閘管的光耦合器
光管三端雙向晶閘主要用于需要基于 AC 的控制或開關的場合。LED 可以使用 DC 控制,三端雙向晶閘 用于控制 AC。
在這種情況下,光耦合器也提供了出色的隔離。這是一個雙向可控硅應用程序。基于光 三端雙向晶閘 的光耦合器示例是IL420、4N35等。
4、基于晶閘管的光耦合器
基于晶閘管的光耦合器
SCR 代表可控硅整流器,SCR也稱為晶閘管。
與其他光耦合器一樣,LED 發射紅外線。可控硅由 LED 的強度控制。基于光電可控硅的光電耦合器,用于交流相關電路。
基于光 SCR 的光耦合器的幾個例子是:- MOC3071、IL400、MOC3072等。
六、光耦合器的作用
1、保護高敏感電路免受高壓電路
如果你需要使用帶有微控制器的命令來驅動高壓電機,那么光耦合器將為開關系統提供電機和微控制器輸出之間的完全電氣隔離連接。
2、防止高壓尖峰
光耦合器還用作具有比保險絲更先進的功能的保險絲。在電路中,光耦合器用于使用數字信號或使用非常低的電壓來切換系統,但如果出現電壓尖峰或出現浪涌電流,則整個輸出電路將不受影響,因為光耦合器僅損壞并停止將當前傳遞到下一部分。
3、使用光耦合器檢測交流電源的過零
由于響應時間非常快(納秒級),光耦合器的開關非常快,它被廣泛用于通過整流器檢測交流電源的過零,并且通過使用這個數字信號可以找到我們需要的波形變化。
使用光耦合器檢測交流電源的過零
七、光耦合器的應用
直流電路中使用的光耦合器很少,交流相關操作中使用的光耦合器也很少。由于光耦不允許兩側直接電連接,所以光耦的主要應用是隔離兩個電路。
從切換其他應用程序,就像可以使用晶體管來切換應用程序一樣,可以使用光耦合器。它可用于各種與微控制器相關的操作,其中需要來自高壓電路的數字脈沖或模擬信息,光耦合器可用于在這兩者之間實現出色的隔離。
光耦可用于交流檢測、直流控制相關操作。下面為光耦合器的一些應用。
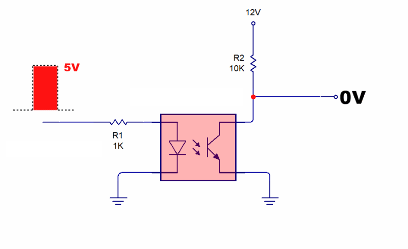
1、用于開關直流電路的光耦合器:
用于開關直流電路的光耦合器
在上面的電路中,使用了基于光電晶體管的光耦合器電路,是一個典型的晶體管開關。
在原理圖中,使用了基于低成本光電晶體管的光電耦合器PC817。紅外線LED將由 S1 開關控制。當開關打開時,9V 電池電源將通過限流電阻 10k 為 LED 提供電流。強度由 R1 電阻控制。如果我們改變值并降低電阻,LED的強度會很高,使晶體管增益很高。
另一方面,晶體管是由內部紅外 LED 控制的光電晶體管,當 LED 發出紅外光時,光電晶體管將接觸,VOUT 將為 0,關閉連接在其上的負載。根據數據表,晶體管的集電極電流為 50mA,R2 提供 VOUT 5v,R2 是一個上拉電阻。
在這種配置中,基于光電晶體管的光耦合器可以與微控制器一起用于檢測脈沖或中斷。
2、用于檢測交流電壓的光耦合器:
用于檢測交流電壓的光耦合器
這里顯示了另一個電路來檢測交流電壓。紅外線 LED 使用兩個 100k 電阻控制,使用兩個 100k 電阻代替一個 200k 電阻是為了在短路相關條件下提供額外的安全性。LED 連接在墻上插座線 (L) 和中性線 (N) 上。當按下 S1 時,LED 開始發射紅外線。光電晶體管做出響應并將 VOUT 從 5V 轉換為 0V。
在這種配置中,光耦合器可以跨低壓電路連接,例如需要交流電壓檢測的微控制器單元,輸出將產生方形高到低脈沖。
3、使用直流電壓控制交流電路的光耦合器:
使用直流電壓控制交流電路的光耦合器
在上面電路中,LED 再次由 9V 電池通過 10k 電阻和開關的狀態來控制。另一方面,使用基于光電 TRIAC 的光耦合器,從 220V 交流插座控制交流燈。68 R 電阻用于控制 BT136 TRIAC,由光耦單元內部的光電 TRIAC 控制。
這種配置用于控制使用低壓電路的電器。IL420 用在上面的原理圖中,是一個基于光 TRIAC 的光耦合器。
除了這種類型的電路之外,還可以在 SMPS 中使用光耦合器,將次級側短路或過流狀況信息發送到初級側。
壹芯微科技專注于“二,三極管、MOS(場效應管)、橋堆”研發、生產與銷售,20年行業經驗,擁有先進全自動化雙軌封裝生產線、高速檢測設備等,研發技術、芯片源自臺灣,專業生產流程管理及工程團隊,保障所生產每一批物料質量穩定和更長久的使用壽命,實現高度自動化生產,大幅降低人工成本,促進更好的性價比優勢!選擇壹芯微,還可為客戶提供參數選型替代,送樣測試,技術支持,售后服務等,如需了解更多詳情或最新報價,歡迎咨詢官網在線客服!
手機號/微信:13534146615
QQ:2881579535
工廠地址:安徽省六安市金寨產業園區
深圳辦事處地址:深圳市福田區寶華大廈A1428
中山辦事處地址:中山市古鎮長安燈飾配件城C棟11卡
杭州辦事處:杭州市西湖區文三西路118號杭州電子商務大廈6層B座
電話:13534146615
企業QQ:2881579535

深圳市壹芯微科技有限公司 版權所有 | 備案號:粵ICP備2020121154號