來源:壹芯微 發布日期
2023-12-14 瀏覽:-GBU1502插件整流橋堆引腳圖與規格書,GBU1502中文PDF|壹芯微橋堆
壹芯微科技專業生產插件GBU1502,提供GBU1502插件橋堆規格書參數。GBU1502插件橋堆的作用
類型:整流橋 反向重復峰值電壓(VRRM):200 V
最大平均整流電流(IO):15 A 非重復峰值正向電流(IFSM):240 A
正向電壓降(VF):1 V 反向漏電流(IR):5 μA
【連續正向電流(IF)=7.5 A】
結電容(Cj):70 pF 反向方均根電壓(VR(RMS)):140 V
GBU1502插件橋堆規格書,點擊下載查看:GBU15005-GBU1510.pdf
GBU1502插件橋堆的引腳規格參數如下:


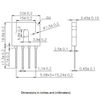
GBU1502插件橋堆的GBU封裝尺寸如下:
壹芯微科技專注于“二,三極管、MOS(場效應管)、橋堆”研發、生產與銷售,21年行業經驗,擁有先進全自動化雙軌封裝生產線、高速檢測設備等,研發技術、芯片源自臺灣,專業生產流程管理及工程團隊,保障所生產每一批物料質量穩定和更長久的使用壽命,實現高度自動化生產,大幅降低人工成本,促進更好的性價比優勢!選擇壹芯微,還可為客戶提供參數選型替代,送樣測試,技術支持,售后服務等,如需了解更多詳情或最新報價,歡迎咨詢官網在線客服!
手機號/微信:13534146615
QQ:2881579535
工廠地址:安徽省六安市金寨產業園區
深圳辦事處地址:深圳市福田區寶華大廈A1428
中山辦事處地址:中山市古鎮長安燈飾配件城C棟11卡
杭州辦事處:杭州市西湖區文三西路118號杭州電子商務大廈6層B座
電話:13534146615
企業QQ:2881579535

深圳市壹芯微科技有限公司 版權所有 | 備案號:粵ICP備2020121154號