來源:壹芯微 發布日期
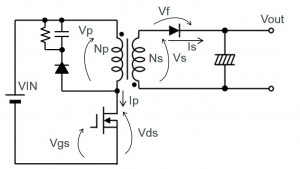
2022-11-07 瀏覽:-首先,MOSFET為ON時,與變壓器為反向極性,電流經過變壓器初級繞組,蓄積電能。此時,二極管為OFF。其次,MOSFET為OFF時,蓄積的電能透過二極管,從變壓器的次級繞組向外輸出,之后再經由整流、平滑,產生DC電壓。
約略說明一下反激式轉換器的工作。電路使用PWM控制的反激式轉換器,連續模式工作。
其工作和各部的電壓、電流波形如下所示。
MOSFET為ON時,電流經過變壓器初級繞組,蓄積電能。此時,二極管為OFF。
MOSFET為OFF時,蓄積的電能通過二極管,從變壓器的次級繞組向外輸出。
緩沖電路
反激方式中,由于變壓器鐵芯間有間距,會造成磁漏現象,產生漏電感。開關電流同樣會流過此漏電感并蓄積電能,但因未與其他線圈結合,因此不會移轉功率并產生浪涌電壓電壓,施加在MOSFET的漏極-源極之間。上述的Vds的波形中也現該狀況。產生的浪涌電壓超過MOSFET耐壓值時,可能會造成MOSFET遭到破壞。為了防止MOSFET遭到破壞而設定緩沖電路,以抑制浪涌電壓。位于上述電路圖一次側,由電阻、二極管、電容器組成的電路就是緩沖電路。請記住,緩沖電路是大多數反激式轉換器中,基本且必要的電路。
壹芯微科技專注于“二,三極管、MOS(場效應管)、橋堆”研發、生產與銷售,20年行業經驗,擁有先進全自動化雙軌封裝生產線、高速檢測設備等,研發技術、芯片源自臺灣,專業生產流程管理及工程團隊,保障所生產每一批物料質量穩定和更長久的使用壽命,實現高度自動化生產,大幅降低人工成本,促進更好的性價比優勢!選擇壹芯微,還可為客戶提供參數選型替代,送樣測試,技術支持,售后服務等,如需了解更多詳情或最新報價,歡迎咨詢官網在線客服!
手機號/微信:13534146615
QQ:2881579535
工廠地址:安徽省六安市金寨產業園區
深圳辦事處地址:深圳市福田區寶華大廈A1428
中山辦事處地址:中山市古鎮長安燈飾配件城C棟11卡
杭州辦事處:杭州市西湖區文三西路118號杭州電子商務大廈6層B座
電話:13534146615
企業QQ:2881579535

深圳市壹芯微科技有限公司 版權所有 | 備案號:粵ICP備2020121154號