來源:壹芯微 發布日期
2022-10-21 瀏覽:-問:如何提高隔離式電源的效率?
答:在大多數降壓調節器的典型應用中,使用有源開關而非肖特基二極管是標準做法。這樣能大大提高轉換效率,尤其是產生低輸出電壓時。在需要電流隔離的應用中,也可使用同步整流來提高轉換效率。圖1所示為副邊同步整流的正激轉換器。
圖1.正激轉換器的自驅動同步整流。
驅動開關進行同步整流可以通過不同方式實現。一種簡單方法涉及到跨越變壓器副邊繞組來驅動。如圖1所示。本例中,輸入電壓范圍可能不是非常寬。使用最小輸入電壓時,SR1和SR2的柵極需要有足夠的電壓,以便開關能夠可靠地導通。為確保MOSFET SR1和MOSFET SR2的柵極電壓不超過其最大額定電壓,最大輸入電壓不能過高。
在所有帶同步整流的電源中,電路中可能會產生負電流。例如,若電路輸出端電容在電路通電之前便已預充電,則電流可能會從輸出側流向輸入側。負電流可能會提高MOSFET SR1和MOSFET SR2的電壓,致使其受損。務必小心保護開關,避免受此類事件影響。
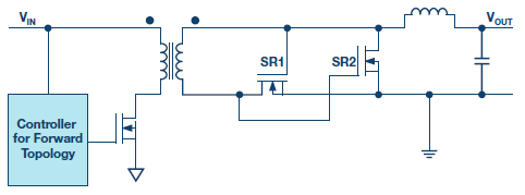
圖2.帶專用驅動器IC的正激轉換器的同步整流
圖2顯示一種利用LTC3900實現同步整流的方法。此控制器驅動正激拓撲中的同步整流開關SR1和SR2。
這種設想很有效。但是,LTC3900需要防止負電流流過外部開關。首先,器件需要快速檢測負電流;然后,SR1和SR2開關需要迅速斷開。為防止在啟動期間或可能的突發模式中發生電路受損,這樣的做法很有必要。
圖3.通過與ADP1074完全集成實現正激拓撲的同步整流
圖3顯示了一種采用新型ADP1074的非常優雅的電路設計。輸出電壓信息通過反饋引腳檢測。為防范某些情況下(例如輸出電壓已預充電時)負電流流過SR1和SR2開關的風險,同步整流未激活。兩個開關的體二極管執行整流。這樣便可防止開關受損。利用ADP1074內置的iCoupler®技術,可實現無負電流流動的安全操作。
壹芯微科技專注于“二,三極管、MOS(場效應管)、橋堆”研發、生產與銷售,20年行業經驗,擁有先進全自動化雙軌封裝生產線、高速檢測設備等,研發技術、芯片源自臺灣,專業生產流程管理及工程團隊,保障所生產每一批物料質量穩定和更長久的使用壽命,實現高度自動化生產,大幅降低人工成本,促進更好的性價比優勢!選擇壹芯微,還可為客戶提供參數選型替代,送樣測試,技術支持,售后服務等,如需了解更多詳情或最新報價,歡迎咨詢官網在線客服!
手機號/微信:13534146615
QQ:2881579535
工廠地址:安徽省六安市金寨產業園區
深圳辦事處地址:深圳市福田區寶華大廈A1428
中山辦事處地址:中山市古鎮長安燈飾配件城C棟11卡
杭州辦事處:杭州市西湖區文三西路118號杭州電子商務大廈6層B座
電話:13534146615
企業QQ:2881579535

深圳市壹芯微科技有限公司 版權所有 | 備案號:粵ICP備2020121154號