來源:壹芯微 發布日期
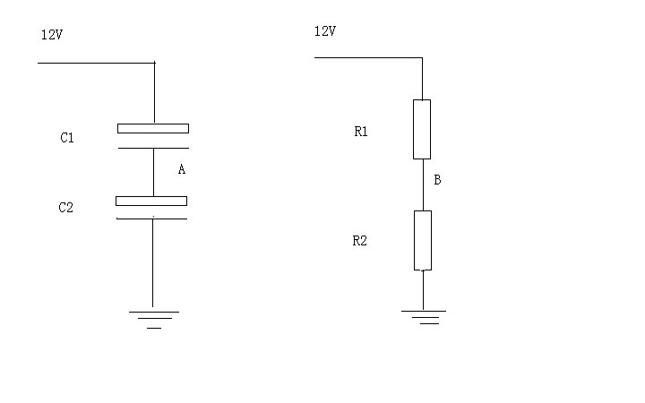
2023-02-27 瀏覽:-很多人會認為會認為電容的串聯等同于電阻的串聯比如下面這幅圖。加在C1、C2兩端的電壓為12V,當C1=C2則點的電壓為6V。電阻R1、R2兩端所加的電壓也為12V。當R1=R2通過電阻的分壓公式那么可以得到B點的電壓也是6V。雖然A點和B點的電壓都為6V但是這兩點電壓產生的方式是不一樣的。首先我們來看看B點電壓的產生,我們知道電阻是可以流過電流的,B點的電壓是由12V的電壓除以電阻R1、R2的阻值就可以得到流過他們的電流,然后再把這個電流誠意電阻R2就可以得到在R2上產生的壓降,即B點電壓。
我們知道電流是流不過電容的,從它的兩個極板可以看出兩個極板是彼此絕緣的,所以電流是流不過電容的。電容通信交流是通過耦合的方式傳輸的。既然電流流不過電容,那么A點的電壓是怎么產生的呢?這就要知道電容的另一個重要特性,也就是電容的兩個極板具有存儲電荷的功能。我們還是以一張圖來具體說明。
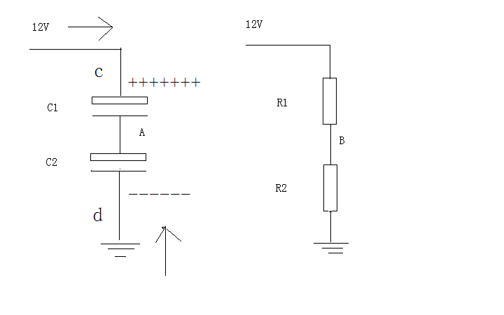
現在我們就以上面這張圖來具體說明A點電壓產生的過程。首先我們來講C1、C2兩端電壓產生的過程。我們還要結合三個參考點的電位才能更好地理解這個電路。即c、A、d三個參考點的點位。電路剛開始時三個參考點的電位由于沒有多余的電荷所以構成不了電位差,三個參考點的電位都為0。
當電路接通12V電源后,由于電容的兩個極板具有聚集電荷的功能,也就是電容具有充電的功能。由于C1、C2串聯,這時C1的正極板可以看做一個極板,電容C2的負極板可以看做一個極板,兩個電容可以看做一個電容。12V的電源對電容C1的正極板開始充電,C1的正極板開始聚集正電荷。電容C2的 負極板會聚集負電荷。當充滿電后電容C1、C2兩端的電壓就為電源電壓即12V。電容C1正極板上聚集的正電荷對電容C2負極板上聚集的負電荷產生了電位差。
由于剛開始三個點的電位都為0,這個12V的電壓是c點相對于d點的電壓。那么兩個電容上的電壓分別是多少呢?我們可以打個比方,剛開始也就是電路沒有接12V電源時,三個點的電位都為0。這時候我們可以以A點作為一個參考點,這里我們把它看做地面。電容C1 上充電相當于從地面向上砌了一道墻,隨著C1的充電墻漸漸升高。C2的反向充電相當于從地面往下挖坑,隨著C2的充電坑越挖越深。當12V電源對這兩個電容充滿電后,c點相對于d就形成了12V的壓差。由于兩個電容參數一樣,那么c點對A點的壓降也就是6V。A點必然高于d點也為6V,這就是電容C1、C2串聯A點電壓產生的具體過程。由于它們各自之間具有壓差當接入負載后就可以形成電流構成回路。
壹芯微科技專注于“二,三極管、MOS(場效應管)、橋堆”研發、生產與銷售,20年行業經驗,擁有先進全自動化雙軌封裝生產線、高速檢測設備等,研發技術、芯片源自臺灣,專業生產流程管理及工程團隊,保障所生產每一批物料質量穩定和更長久的使用壽命,實現高度自動化生產,大幅降低人工成本,促進更好的性價比優勢!選擇壹芯微,還可為客戶提供參數選型替代,送樣測試,技術支持,售后服務等,如需了解更多詳情或最新報價,歡迎咨詢官網在線客服!
手機號/微信:13534146615
QQ:2881579535
工廠地址:安徽省六安市金寨產業園區
深圳辦事處地址:深圳市福田區寶華大廈A1428
中山辦事處地址:中山市古鎮長安燈飾配件城C棟11卡
杭州辦事處:杭州市西湖區文三西路118號杭州電子商務大廈6層B座
電話:13534146615
企業QQ:2881579535

深圳市壹芯微科技有限公司 版權所有 | 備案號:粵ICP備2020121154號