來源:壹芯微 發布日期
2024-03-26 瀏覽:-電路振蕩現象產生會有哪種狀態
在電路中產生振蕩現象時,電路處于怎樣的狀態下呢?
一種是從外部對放大器施加振蕩,從而引起電路振蕩(他激振蕩)。另一種是在無外部施加信號的情況下進行周期性的電氣振蕩。振蕩現象通常指后者。
人為地產生振蕩,在處理電信號時是非常必要的。為此,電氣震蕩是必需的。
最容易產生電氣振蕩的電路是將電感L與電容C組合起來的諧振電路。
其工作原理是,首先對C充電,然后切換開關,通過L來釋放C中存儲的電能。但是,L具有試圖持續保持當前狀態的特性,所以反而使C成為交替了正,負極的反向充電狀態。C則試圖再次通過L來放電,根據L的性質,放電不會就此結束,反過來C又被充電,如此反復以上過程。
因為電感存在電阻,此振蕩電流逐漸會衰減,所以會形成如圖所示的波形。任何電感均存在一定的電阻成分r,因此儲存于電容中的電能在轉換為振動能量的過程中逐漸轉變成熱能i-2r(W)而消失,已經形成的電氣振蕩也會逐漸消失。即使較r小,振蕩的持續時間較長,也仍會在阻尼振蕩中結束。那么,怎樣設法使電路的電阻成分為0,振蕩持續保持初始的狀態呢?首先可以考慮的辦法是通過放大器不斷補充因電阻而損失的能量。
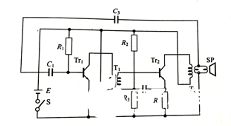
具備上述功能的電路請參見圖。
在圖中的電路中合上開關S后,我們來分析下輸出信號是經過怎樣一個過程被反饋至輸入端的。
(1)合上開關S,則放大器內的微弱振蕩被加載到晶體管Tr1的基極上。
(2)經Tr1和Tr2被放大2次。
(3)變壓器T2的次級輸出信號出現振蕩。
(4)輸出信號通過C3和C1被加載到晶體管Tr1的基極上。
(5)經再次放大,出現于T2的次級。
(6)接下來,由于循環使信號增大,變成振幅固定的振蕩狀態(參見圖)6
實際上,我們所說的振蕩電路都具備這一功能。換言之,即先使用直流能量產生電氣振蕩,然后利用晶體管的放大作用不斷進行能量補給,使其不至于衰減。
壹芯微科技專注于“二,三極管、MOS(場效應管)、橋堆”研發、生產與銷售,22年行業經驗,擁有先進全自動化雙軌封裝生產線、高速檢測設備等,研發技術、芯片源自臺灣,專業生產流程管理及工程團隊,保障所生產每一批物料質量穩定和更長久的使用壽命,實現高度自動化生產,大幅降低人工成本,促進更好的性價比優勢!選擇壹芯微,還可為客戶提供參數選型替代,送樣測試,技術支持,售后服務等,如需了解更多詳情或最新報價,歡迎咨詢官網在線客服!
手機號/微信:13534146615
QQ:2881579535
工廠地址:安徽省六安市金寨產業園區
深圳辦事處地址:深圳市福田區寶華大廈A1428
中山辦事處地址:中山市古鎮長安燈飾配件城C棟11卡
杭州辦事處:杭州市西湖區文三西路118號杭州電子商務大廈6層B座
電話:13534146615
企業QQ:2881579535

深圳市壹芯微科技有限公司 版權所有 | 備案號:粵ICP備2020121154號