來源:壹芯微 發布日期
2023-09-18 瀏覽:-電路設計:電源電路中的電磁兼容
電源電路
電源電路設計中,功能性設計主要考慮溫升和紋波大小。溫升大小由結構散熱和效率決定;輸出紋波除了采用輸出濾波外,輸出濾波電容的選取也很關鍵:大電容一般采用低ESR電容,小電容采用0.1UF和1000pF共用。電源電路設計中,電磁兼容設計是關鍵設計。主要涉及的電磁兼容設計有:傳導發射和浪涌。
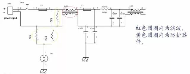
傳導發射設計一般采用輸入濾波器方式。外部采購的濾波器內部電路一般采用下列電路:
Cx1和Cx2為X電容,防止差模干擾。差模干擾大時,可增加其值進行抑制;Cy1和Cy2為Y電容,防止共模干擾。共模干擾大時,可增加其值進行抑制。需要注意的是,如自行設計濾波電路,Y電容不可設計在輸入端,也不可雙端都加Y電容。
浪涌設計一般采用壓敏電阻。差模可根據電源輸入耐壓選取;共模需要電源輸入耐壓和產品耐壓測試綜合考慮。
當浪涌能量大時,也可考慮壓敏電阻(或TVS)與放電管組合設計。
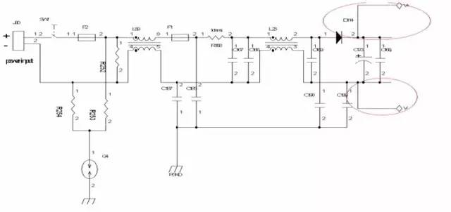
1電源輸入部分的EMC設計
應遵循①先防護后濾波;②CLASS B規格要求的電源輸入端推薦兩級濾波電路,且盡量靠近輸入端;③在電源輸入端濾波電路前和濾波電路中無采樣電路和其它分叉電路;如果一定有采樣電路,采樣電路應額外增加了足夠的濾波電路。
原因說明:
①先防護后濾波:
第一級防護器件應在濾波器件之前,防止濾波器件在浪涌、防雷測試中損壞,或導致濾波參數偏離,第二級保護器件可以放在濾波器件的后面;選擇防護器件時,還應考慮個頭不要太大,防止濾波器件在PCB布局時距離接口太遠,起不到濾波效果。
②CLASS B規格要求的電源輸入端推薦兩級濾波電路,且盡量靠近輸入端:
CLASSB要求比CLASS A要求小10dB,即小3倍,所以應有兩級濾波電路;CLASSA規格要求至少一級濾波電路;所謂一級濾波電路指包含一級共模電感的濾波電路。
③在電源輸入端濾波電路前和濾波電路中無采樣電路和其它分叉電路;如果一定有采樣電路,采樣電路應額外增加了足夠的濾波電路:
電源采樣電路應從濾波電路后取;
如果采用電路精度很高,必須從電源輸入口進行采樣時,必須增加額外濾波電路。
2電源輸出部分的EMC設計
應遵循①電源模塊輸出一定要求有濾波措施,推薦使用共模電感或差模電感;②長距離電源走線是否預留足夠電容組10uF/0.1uF或1uF/0.01uF,應考慮PCB板每間隔187.5px放置一對。
原因說明:
①電源模塊輸出一定要求有濾波措施,推薦使用共模電感或差模電感:
用共模電感進行濾波,防止開關電源的噪聲串到整個單板的電源、地上;
用磁珠進行濾波,防止開關電源的噪聲串到整個單板的電源、地上;
在電源輸出端設計Y電容時,需斟酌,如有螺釘可使Y電容就近接地時,可考慮增加,否則不用。
②長距離電源走線是否預留足夠電容組10uF/0.1uF或1uF/0.01uF,應考慮PCB板每間隔187.5px放置一對:
當電源模塊有多路電源輸出時,比如提供給通訊接口的通訊電源、地,提供給傳感器供電的12V、24V電源、地,提供給繼電器驅動用的12V電源、地,均會存在長距離走線問題,為了使電源、地之間的阻抗最小,且回路最小,應每隔187.5px增加一對電容。
3電源轉換芯片的EMC設計
應遵循電源轉換芯片輸入輸出端應并聯BULK電容和去耦電容;電容容值應依據芯片手冊推薦,或者依據驅動能力來估算;開關轉換芯片輸出應考慮磁珠進行濾波。
壹芯微科技專注于“二,三極管、MOS(場效應管)、橋堆”研發、生產與銷售,21年行業經驗,擁有先進全自動化雙軌封裝生產線、高速檢測設備等,研發技術、芯片源自臺灣,專業生產流程管理及工程團隊,保障所生產每一批物料質量穩定和更長久的使用壽命,實現高度自動化生產,大幅降低人工成本,促進更好的性價比優勢!選擇壹芯微,還可為客戶提供參數選型替代,送樣測試,技術支持,售后服務等,如需了解更多詳情或最新報價,歡迎咨詢官網在線客服!
手機號/微信:13534146615
QQ:2881579535
工廠地址:安徽省六安市金寨產業園區
深圳辦事處地址:深圳市福田區寶華大廈A1428
中山辦事處地址:中山市古鎮長安燈飾配件城C棟11卡
杭州辦事處:杭州市西湖區文三西路118號杭州電子商務大廈6層B座
電話:13534146615
企業QQ:2881579535

深圳市壹芯微科技有限公司 版權所有 | 備案號:粵ICP備2020121154號