來源:壹芯微 發布日期
2022-10-27 瀏覽:-任何電子產品都離不開電源的設計,其中DCDC是使用頻率最高的。因為DCDC模塊整體上具有設計簡單、開發周期短、技術要求偏低、設計靈活、應用廣泛等優點,所以非常受到電路設計人員的青睞,所以說如果能對這個模塊掌握的更加透徹對于工程師們在電路設計中能起到事半功倍的作用。
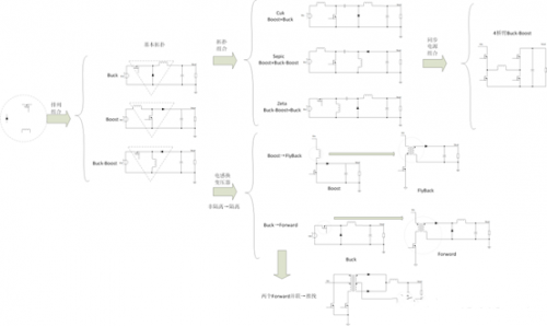
1、基本拓撲的由來
我們把一個電源電路抽象成一個黑盒電路模型,一個電源輸入、一個電源輸出,一個接地端口。對于非隔離電源,輸入輸出電路是共“地”的,所以非隔離電源的這個模型可以簡化為圖 所示的模型。
非隔離電源簡化模型
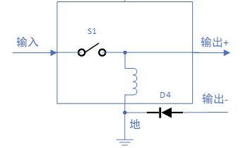
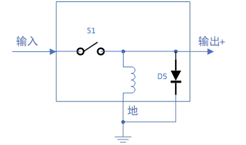
在所有的拓撲中,電感的一端需要連接到三個可用直流端之一。另外一個端點通過開關與電感的另一端連接。開關和電感的連接點,通過一個續流二極管與最后剩下的一個端點連接。如此拓撲結構可以形成圖所示的三種基本拓撲。
開關電源的三種基本拓撲
熟悉開關電源的朋友,一眼就認出來了,第一個是Buck、第二個是Boost,第三個是Buck-Boost(有的文檔也稱為反極性Boost)。如果電感連接到地,就構成了升降壓變換器,如果電感連接到輸入端,就構成了升壓變換器。如果電感連接到輸出端,就構成了降壓變換器。
我們用排列組合的方式可以有多種方法來構造,既含有電感又能為電感電流提供續流回路的拓撲。
無用拓撲類型1:
輸入和輸出之間并沒有公用導線,也就是說輸入與輸出的GND之間有器件。這種情況是不實用的,直接排除了:比如二極管、開關串聯在輸入GND和輸出GND的鏈接通路上。在此就不一一列舉了。
無用拓撲類型1
無用拓撲類型2:
開關管、二極管、電感,連接在輸入或者輸出的正負極之間,這種只會產生短路,不會實現電壓變化。
無用拓撲類型2
我們熟悉的電路一般是正電壓進行降壓、升壓操作,或者正電壓產生一個負壓。但是負電壓降壓、升壓、反極性的拓撲也是有的。但是這個拓撲本質與正壓變換器本質是一樣的。
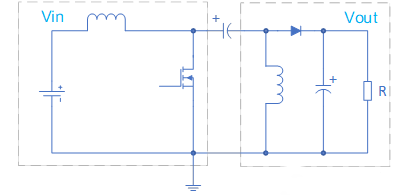
另外有些隔離電源拓撲就是通過基本拓撲增加變壓器或者變化得到的,例如反激隔離電源(FlyBack)。
反激隔離電源電路
其他更復雜的拓撲例如“Buck+Boost拓撲”、“SEPIC”等都是可以從基本拓撲進行組合或者演進得來的。人們嘗試使用這些相同的元器件進行了許多其他的組合。大多數已通過實踐證明實用性不強。
Buck+Boost拓撲:該電路將Buck電路的輸入端和Boost電路的輸出端進行組合,并在中間用一個共用電感結合起來。
Buck+Boost拓撲
本質是用一個降壓“加上”一個升壓,來實現升降壓。SEPIC拓撲:集成了Boost和Flyback 拓撲結構,如圖所示。
SEPIC拓撲圖
2、開關電源的各種拓撲結構之間的關系
根據上一節的分析和介紹,我們發現:我們通過基本約束,可以得到三個基本拓撲結構:第一個是Buck、第二個是Boost,第三個是Buck-Boost。其他的更復雜的拓撲都是通過基本拓撲結構進行重新組合,或者演進得來的。
通過基本拓撲直接組合,形成了三個有實用價值的拓撲結構:Cuk、Sepic、Zeta。Cuk的本質是Boost變換器和Buck變換器串聯,Sepic的本質是Boost和Buck-Boost串聯,Zeta可以看成Buck和Buck-Boost串聯。但是里面有些細節按照電流的方向在演進的過程中調整了二極管的方向,兩極串聯拓撲節省了復用的器件。通過這樣串聯和演進,產生了新的三個電源拓撲,如圖所示。
同時,如果我們把同步Buck拓撲串聯同步Boost可以形成四開關Buck-Boost拓撲,如圖所示。
利用變壓器代替電感,可以把Boost演進為一個新拓撲FlyBack即反激變換器(反激的公式來看又是很像Buck-Boost,這里變壓器不同于電感,也有說法會說反激是Buck-Boost變過來的)。
我們可以把Buck電路的開關通過一個變壓器進行能量傳遞,就形成正激變換器。將兩個正激變換器進行并聯,可以形成推挽拓撲。正激的變壓器,是直接輸送能量過去,而不是像反激變壓器那樣傳遞能量,大家可以關注一下變壓器的方向。

反激、正激、推挽拓撲的演進
根據我們上述的分析,所有的拓撲都可以通過基本拓撲進行組合、演進而來。全景圖,如圖所示。
壹芯微科技專注于“二,三極管、MOS(場效應管)、橋堆”研發、生產與銷售,20年行業經驗,擁有先進全自動化雙軌封裝生產線、高速檢測設備等,研發技術、芯片源自臺灣,專業生產流程管理及工程團隊,保障所生產每一批物料質量穩定和更長久的使用壽命,實現高度自動化生產,大幅降低人工成本,促進更好的性價比優勢!選擇壹芯微,還可為客戶提供參數選型替代,送樣測試,技術支持,售后服務等,如需了解更多詳情或最新報價,歡迎咨詢官網在線客服!
手機號/微信:13534146615
QQ:2881579535
工廠地址:安徽省六安市金寨產業園區
深圳辦事處地址:深圳市福田區寶華大廈A1428
中山辦事處地址:中山市古鎮長安燈飾配件城C棟11卡
杭州辦事處:杭州市西湖區文三西路118號杭州電子商務大廈6層B座
電話:13534146615
企業QQ:2881579535

深圳市壹芯微科技有限公司 版權所有 | 備案號:粵ICP備2020121154號