來源:壹芯微 發布日期
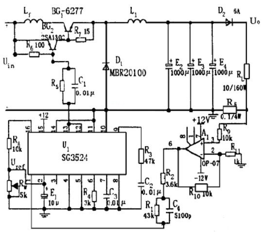
2022-11-04 瀏覽:-采用開關電源的開關恒流源電路構成如圖2.3.2所示。BG1為開關管,BG2為驅動管, RL為負載電阻, RS為取樣電 阻, SG35 24為脈寬調制控制器, L1、E2、E3、E4為儲能元件, RW提供基準電壓Uref。 圖采用開關電源的開關恒流源工作原理:減小開關器件的導通損耗和開關損耗是提高電路效率的關鍵。為此,器件選擇飽和壓降小、頻率特性好的開關三極管和肖特基續流二極管。
扼流圈L1的磁芯上再繞一個附加線圈,利用電磁反饋降低開關三極管的飽和壓降,并采用合理的結構設計,使電路的分布參數得到有效的控制。當電源電壓降低或負載電阻RL 降低時,則取樣電阻RS 上的電壓也將減少,則SG3524的12、13管腳輸出方波的占空比增大,從而使BG1導通時間變長,使電壓U0回升到原來的穩定值。BG1關斷后,儲能元件L1、E2、E3、E4保證負載上的電壓不變。當輸入電源電壓增大或負載電阻值增大引起U0增大時,原理與前類同,電路通過閉環反饋系統使U0下降到原來的穩定值,從而達到穩定負載電流IL 的目的。
壹芯微科技專注于“二,三極管、MOS(場效應管)、橋堆”研發、生產與銷售,20年行業經驗,擁有先進全自動化雙軌封裝生產線、高速檢測設備等,研發技術、芯片源自臺灣,專業生產流程管理及工程團隊,保障所生產每一批物料質量穩定和更長久的使用壽命,實現高度自動化生產,大幅降低人工成本,促進更好的性價比優勢!選擇壹芯微,還可為客戶提供參數選型替代,送樣測試,技術支持,售后服務等,如需了解更多詳情或最新報價,歡迎咨詢官網在線客服!
手機號/微信:13534146615
QQ:2881579535
工廠地址:安徽省六安市金寨產業園區
深圳辦事處地址:深圳市福田區寶華大廈A1428
中山辦事處地址:中山市古鎮長安燈飾配件城C棟11卡
杭州辦事處:杭州市西湖區文三西路118號杭州電子商務大廈6層B座
電話:13534146615
企業QQ:2881579535

深圳市壹芯微科技有限公司 版權所有 | 備案號:粵ICP備2020121154號