來源:壹芯微 發布日期
2022-03-02 瀏覽:-70N03場效應管參數|70N03(TO251,TO252)規格書資料|壹芯微
產品類型 場效應管 產品型號 70N03 極性 NPN
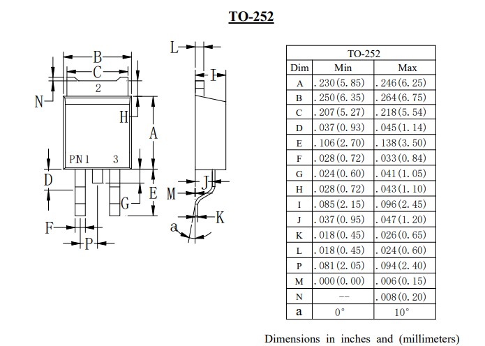
漏源電壓 30V 漏極電流 20A 封裝 TO-252

70N03場效應管常用封裝有:TO-251,TO-252
70N03(多封裝)規格書 查看下載
參數資料:


70N03絕對最大額定參數:
漏源電壓(VDS) 30(V)
柵源電壓(VGS) ±20(V)
雪崩電流(IAR) *(A)
漏極電流-連續(ID) 60(A)
漏極電流-脈沖(IDM) 195(A)
單脈沖雪崩能量(EAS) *(mJ)
重復雪崩能量(EAR) *(mJ)
二極管恢復峰值(dv/dt) *(V/ns)
功耗(PD) 53(W)
工作與貯存溫度范圍(TJ,TSTG) -55~+150(°С)
熱阻-結到環境(RθJA) 110(°C/W)
熱阻-結到外殼(RθJC) 2.8(°C/W)
焊接的最高引線溫度(TL) *(°С)
70N03各種封裝外形尺寸:


壹芯微科技專業生產"二極管,三極管,場效應管,橋堆",20年豐富的生產經驗,品質優秀,完美替代,專業生產管理團隊與工程師嚴格管控品質,超過4800家電路電器生產企業選用合作,價格低于同行(20%),更具性價比,提供技術支持,售后FEA,如需了解產品詳情,最新報價以及樣品申請,歡迎咨詢官網在線客服!
手機號/微信:13534146615
QQ:2881579535
工廠地址:安徽省六安市金寨產業園區
深圳辦事處地址:深圳市福田區寶華大廈A1428
中山辦事處地址:中山市古鎮長安燈飾配件城C棟11卡
杭州辦事處:杭州市西湖區文三西路118號杭州電子商務大廈6層B座
電話:13534146615
企業QQ:2881579535

深圳市壹芯微科技有限公司 版權所有 | 備案號:粵ICP備2020121154號